Texas Instruments Doubles bascules J-K SN74HC112
Les doubles bascules J-K SN74HC112 de Texas Instruments contiennent deux bascules indépendantes J-K à déclenchement par front négatif. Un niveau bas aux entrées transparentes (/CLR) ou préréglées (/PRE) réinitialise ou définit les sorties, quels que soient les niveaux des autres entrées. Les données des entrées J et K qui répondent aux exigences de temps de configuration sont transférées vers les sorties sur le bord négatif du pulse de l'horloge (CLK) lorsque /CLR et /PRE sont inactifs (hauts). Le déclenchement de l'horloge n'est pas directement lié au temps de descente du pulse CLK et se produit à un niveau de tension. Les données d'entrée J et K peuvent être modifiées sans affecter les niveaux des sorties après l'intervalle de temps de maintien. Les SN74HC112 de Texas Instruments sont des bascules polyvalentes qui fonctionnent comme des bascules à inversion en liant J et K à un niveau haut.Caractéristiques
- Large plage de tension d'exploitation de 2 V à 6 V
- Les sorties peuvent alimenter jusqu'à 10 charges LSTTL
- Faible puissance consommée, 40 µA (max.) ICC
- tpd standard = 13 ns
- Sortie de ±4 mA à 5 V
- Courant d'entrée faible de 1 µA (max.)
Applications
- Serveurs
- Écrans LED
- commutateur Réseau
- Infrastructure de télécommunications
- Pilotes de moteur
- Élargissement E/S
Ressources supplémentaires
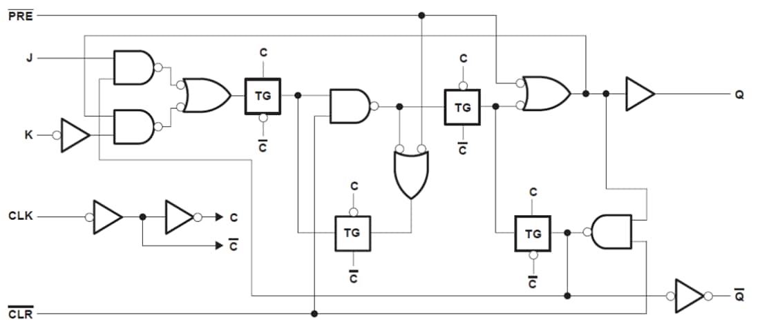
Schéma fonctionnel
Publié le: 2025-05-01
| Mis à jour le: 2025-05-09
