Texas Instruments Registres à décalage 8 bits SN74AHCT594/SN74AHCT594-Q1
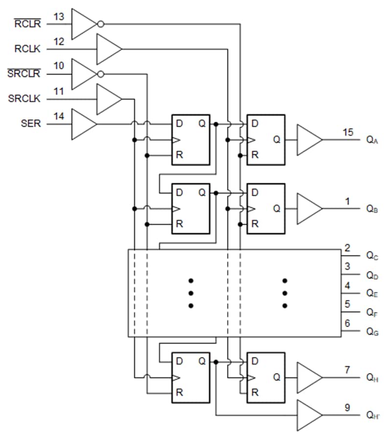
Les registres à décalage 8 bits SN74AHCT594/SN74AHCT594-Q1 de Texas Instruments contiennent un registre à décalage 8 bits à entrée en série et sortie en parallèle qui alimente un registre de stockage de type D 8 bits. Les registres de décalage et de stockage sont dotés d'horloges séparées et d'entrées à suppression directe et transparente (SRCLR, RCLR). Une sortie série (QH) est prévue pour la mise en cascade. Les dispositifs SN74AHCT594-Q1 de Texas Instruments sont qualifiés AEC-Q100 pour les applications automobiles.Caractéristiques
- Les entrées sont compatibles avec la tension TTL
- Registres à décalage 8 bits à entrée série et sortie parallèle avec stockage
- Le remplacement direct indépendant efface sur les registres à décalage et de stockage
- Horloges indépendantes pour les registres à décalage et de stockage
- La performance de verrouillage dépasse les 100 mA selon la norme JESD, 78 classe II
- La protection ESD dépasse JESD 22
- Modèle humain ±3 500 V
- Modèle machine ±200 V
Applications
- Commutateurs de réseau
- Infrastructure énergétique
- PC, ordinateurs portables
- Santé et fitness, produits portables
- Test et mesures
Fiches techniques
Schéma logique (logique positive)
Ressources supplémentaires
- Note d'application — Implications des entrées CMOS lentes ou flottantes
- Guide de sélection : Petit guide logique
- Guide de sélection : guide logique
- Note d'application : comment sélectionner Little Logic
- Note d'application — Comprendre et interpréter les fiches techniques de logique standard
- Guide d'utilisation : Livre de données LOGIC Pocket
- Note d'application : choisir la bonne solution de translation de niveau
- Système d'aide à la conduite (ADAS) : La technologie qui fait avancer la sécurité automobile
Publié le: 2024-04-24
| Mis à jour le: 2025-06-06
