Texas Instruments SN74AHCT157/SN74AHCT157-Q1 Sélection de données/Multiplexeurs
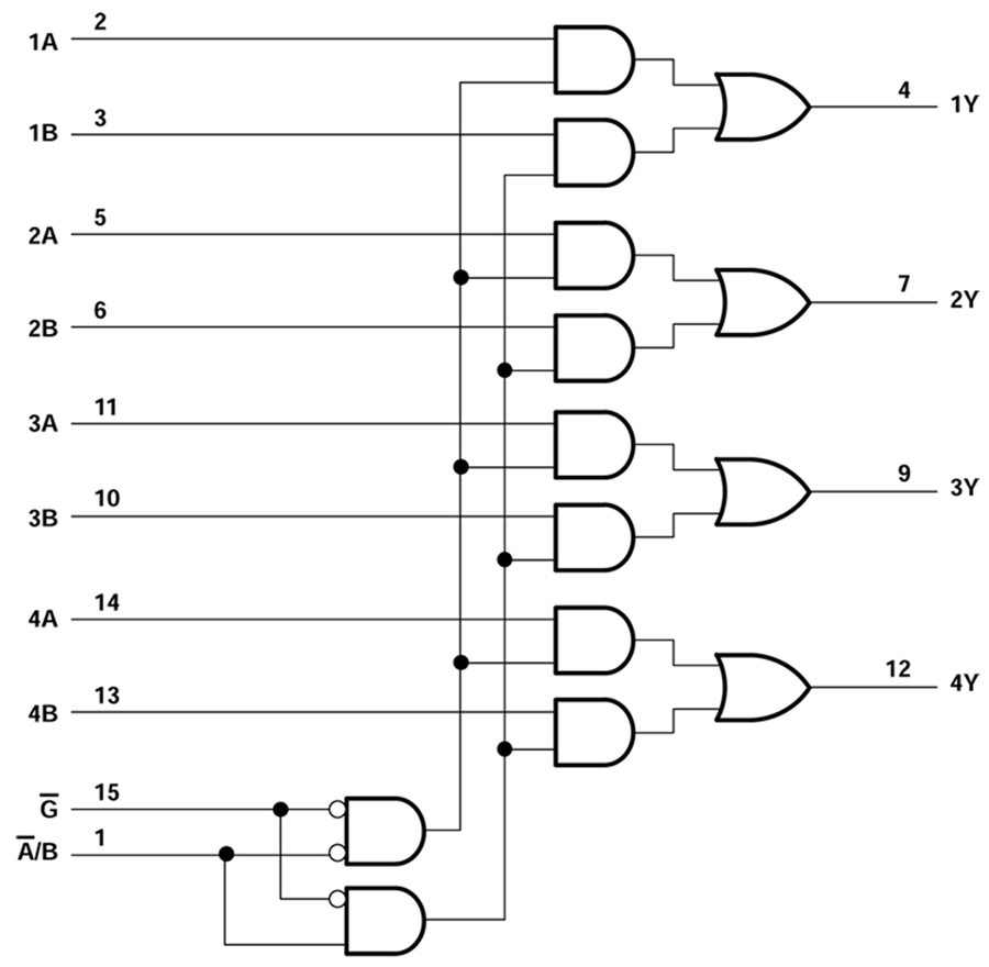
Les sélecteurs/multiplexeurs quadruples de données de ligne 2-vers-1 SN74AHCT157/SN74AHCT157-Q1 de Texas Instruments sont conçus pour une exploitation de 4,5 V à 5,5 VCC. Le SN74AHCT157/SN74AHCT157-Q1 dispose d'une entrée de validation (strobe) commune (G). Lorsque l'entrée stroboscopique est haute, toutes les sorties sont basses. Lorsque l'entrée stroboscopique est basse, un mot de 4 bits est sélectionné à partir de l'une des deux sources et est acheminé vers les quatre sorties. Les dispositifs fournissent des données exactes. Les dispositifs SN74AHCT157-Q1 de Texas Instruments sont qualifiés AEC-Q100 pour les applications automobiles.Caractéristiques
- Les entrées sont compatibles avec la tension TTL
- La performance de verrouillage dépasse 250 mA selon JESD 17.
Fiches techniques
Schéma logique (logique positive)
Ressources supplémentaires
- Guide de sélection : Petit guide logique
- Guide de sélection : guide logique
- Note d'application : comment sélectionner Little Logic
- Note d'application — Comprendre et interpréter les fiches techniques de logique standard
- Guide d'utilisation : Livre de données LOGIC Pocket
- Note d'Application : Choisir la bonne solution de conversion de niveau
- Note d'application : Famille logique CMOS haute vitesse avancée (AHC)
- Système d'aide à la conduite (ADAS) : La technologie qui fait avancer la sécurité automobile
Publié le: 2024-06-07
| Mis à jour le: 2025-06-06
