Texas Instruments Registres à décalage 8 bits SN74AHC594/SN74AHC594-Q1
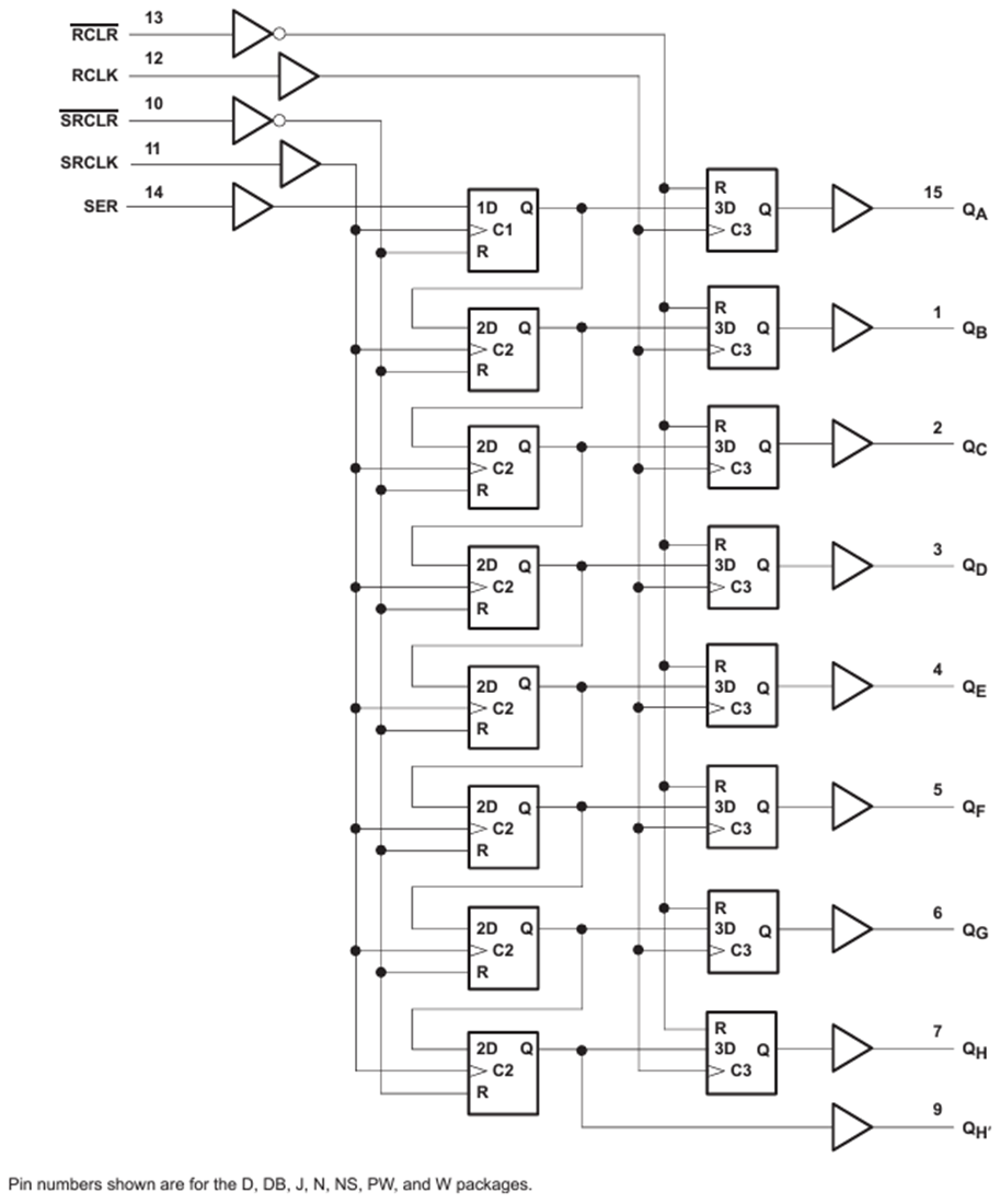
Les registres à décalage 8 bits SN74AHC594/SN74AHC594-Q1 de Texas Instruments contiennent un registre à décalage SIPO (entrée en série, sortie en parallèle) de 8 bits qui alimente un registre de stockage de type D de 8 bits. Des horloges séparées et des entrées à suppression directe et transparente (SRCLR, RCLR) sont fournies pour les registres de décalage et de stockage. Une sortie série (QH′) est prévue pour la mise en cascade. Les dispositifs SN74AHC594-Q1 de Texas Instruments sont qualifiés AEC-Q100 pour les applications automobiles.Caractéristiques
- Plage de fonctionnement de 2 V à 5,5 V VCC
- Registres à décalage 8 bits à entrée série et sortie parallèle avec stockage
- Le remplacement direct indépendant efface sur les registres à décalage et de stockage
- Horloges indépendantes pour registres à décalage et de stockage
- La performance de verrouillage dépasse 100 mA selon JESD 78, catégorie II
- La protection ESD dépasse JESD 22
- Modèle corps humain 2 000 V (A114-A)
- Modèle appareil chargé 1 000 V (C101)
Applications
- Commutateurs de réseau
- Infrastructures électriques
- Ordinateurs de bureau et portables
- Affichages LED
- Serveurs
Fiches techniques
Schéma logique (logique positive)
Ressources supplémentaires
- Note d'application — Implications des entrées CMOS lentes ou flottantes
- Guide de sélection : Petit guide logique
- Guide de sélection : guide logique
- Note d'application : comment sélectionner Little Logic
- Note d'application — Comprendre et interpréter les fiches techniques de logique standard
- Guide d'utilisation : Livre de données LOGIC Pocket
- Note d'application : sélection du bon niveau de conversion de solution
- Système d'aide à la conduite (ADAS) : la technologie qui fait avancer la sécurité automobile
Publié le: 2024-04-26
| Mis à jour le: 2025-06-06
