Texas Instruments Décodeur/démultiplexeur de ligne 3 à 8 SN74AHC138/SN74AHC138-Q1
Les décodeurs/démultiplexeurs de ligne 3 à 8 SN74AHC138/SN74AHC138-Q1 de Texas Instruments sont conçus pour les applications de routage de données et de décodage de mémoire à haute performance qui nécessitent des temps de retard de propagation très courts. Ces décodeurs peuvent être utilisés pour minimiser les effets du décodage du système dans les systèmes de mémoire à haute performance. Les temps de retard de ces décodeurs et le temps d'activation de la mémoire sont généralement inférieurs au temps d'accès standard lorsqu'ils sont utilisés avec des mémoires haute vitesse utilisant un circuit d'activation rapide. Cette caractéristique signifie que le retard effectif du système introduit par les décodeurs est négligeable. Les dispositifs SN74AHC138-Q1 de Texas Instruments sont qualifiés AEC-Q100 pour les applications automobiles.Caractéristiques
- Plage de fonctionnement de 2 V à 5,5 V VCC
- Conçu spécifiquement pour les décodeurs de mémoire à haute vitesse et les systèmes de transmission de données
- Intègre trois entrées d'activation pour simplifier la mise en cascade et/ou la réception des données
- La performance de verrouillage dépasse 250 mA selon JESD 17.
- La protection ESD dépasse JESD 22
- Modèle corps humain 2 000 V (A114-A)
- Modèle de dispositif chargé 1 000 V (C101)
Applications
- Sélection d'un dispositif à mémoire avec bus de données partagé
- Données d'itinéraire
- Réduire le nombre de sorties requises pour les applications à sélection de puce
Fiches techniques
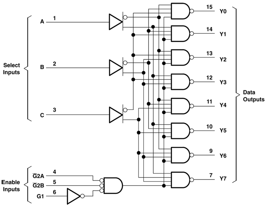
Schéma logique (logique positive)
Ressources supplémentaires
- Note d'application — Implications des entrées CMOS lentes ou flottantes
- Guide de sélection : Petit guide logique
- Guide de sélection : guide logique
- Note d'application : comment sélectionner Little Logic
- Note d'application — Comprendre et interpréter les fiches techniques de logique standard
- Guide d'utilisation : Livre de données LOGIC Pocket
- Note d'application : sélection de la solution de conversion de niveau appropriée
- Système d'aide à la conduite (ADAS) : la technologie qui fait avancer la sécurité automobile
Publié le: 2024-04-30
| Mis à jour le: 2025-06-06
