Texas Instruments Registres à décalage SIPO SN74ACT595/SN74ACT595-Q1
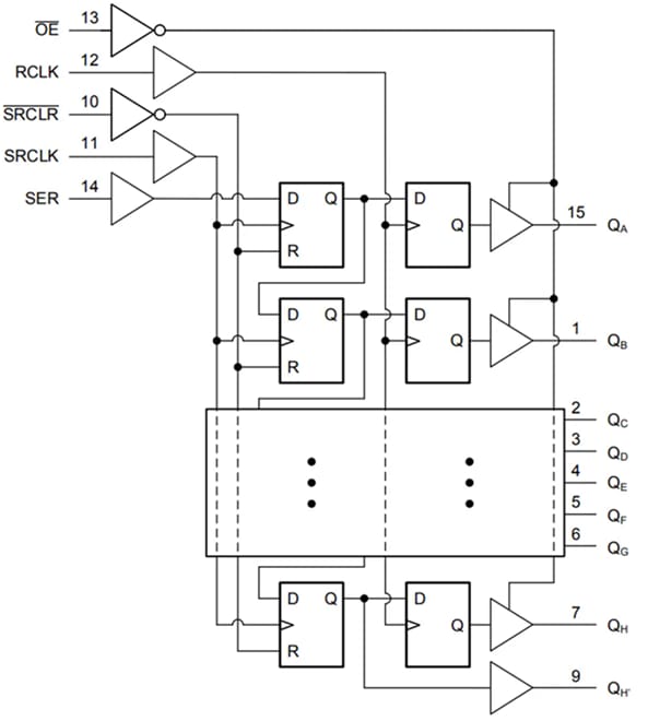
Les registres à décalage SIPO 8 bits SN74ACT595/SN74ACT595-Q1 de Texas Instruments alimentent un registre de stockage de type D à 8 bits. Le registre de stockage a des sorties parallèles. Des horloges distinctes sont fournies pour le registre de stockage et celui de décalage. Le registre à décalage possède une entrée directe de remplacement transparent (SRCLR\), une entrée série (SER) et une sortie série (QH') pour la mise en cascade. Les sorties de registre se trouvent dans un état d'impédance élevée lorsque l'entrée d'activation de la sortie (OE\) est élevée. L'exploitation de l'entrée OE\ n'a pas d'impact sur les données du registre interne. Les dispositifs SN74ACT595-Q1 de Texas Instruments sont qualifiés AEC-Q100 pour les applications automobiles.Caractéristiques
- Plage de tension d'exploitation de 4,5 V à 5,5 V
- Entrées compatibles TTL
- Entraînement à sortie continue de ±24 mA à 5 V
- Prend en charge un entraînement de sortie jusqu'à ±75 mA à 5 Vin par petites salves
- Entraîne des lignes de transmission de 50 Ω
- Exploitation rapide avec un délai de 11,9 ns (max.)
Applications
- Augmente le nombre de sorties sur les microcontrôleurs
- Stocke temporairement jusqu'à 8 bits de données
Ressources supplémentaires
- Fiche technique SN74ACT595
- Fiche technique SN74ACT595-Q1
- Guide de sélection : Guide logique
- Note d'application — Comprendre et interpréter les fiches techniques de logique standard
- Guide d'utilisation : Livre de données de poche LOGIQUE
- Note d'application : Concevoir avec logique
- Système d'aide à la conduite (ADAS)
Schéma de fonctionnement
Publié le: 2025-02-18
| Mis à jour le: 2025-05-06
