Texas Instruments Bascules SN74ACT2G100/SN74ACT2G100-Q1
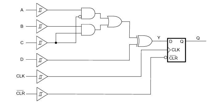
Les bascules Texas Instruments SN74ACT2G100/SN74ACT2G100-Q1 contiennent deux bascules de type D indépendantes avec une horloge déclenchée par front de montée, des entrées active à faibles luminosité et des entrées de données. Les entrées de données peuvent être configurées pour plusieurs fonctions logiques à 1 et 2 entrées, y compris tampon, convertisseur, AND, OR, NAND, NOR, XOR, and XNOR. Toutes les entrées des bascules SN74ACT2G100/SN74ACT2G100-Q1 de TI ont une architecture à déclenchement Schmitt pour prendre en charge des signaux d'entrée lents ou bruités.Les dispositifs SN74ACT2G100-Q1 sont qualifiés AEC-Q100 pour les applications automobiles.
Caractéristiques
- AEC-Q100 homologué pour les applications automobiles :
- Température du dispositif de classe 1 : de -40 °C à +125 °C
- Classification DES HBM du dispositif de niveau 2
- Niveau de classification CDM DES du dispositif niveau C4B
- Disponible dans un boîtier QFN à flanc mouillable
- Plage de tension d'exploitation de 4,5 V à 5,5 V
- Les entrées à déclenchement Schmitt compatibles TTL prennent en charge les signaux d'entrée lents et bruyants
- Conduit un courant de sortie continu de ±24 mA à 5 V
- Prend en charge un entraînement de sortie de ±75 mA à 5 V en rafales brèves
- Pilote des lignes de transmission 50 Q
- Exploitation rapide avec un délai de 10,4 ns maximum
Applications
- Maintenir un signal pendant la réinitialisation du contrôleur
- Signaux d'entrée à vitesse de front lent
- Fonctionne dans des environnements bruyants
Fiches techniques
Schéma logique (logique positive)
Publié le: 2026-01-06
| Mis à jour le: 2026-01-12
