Texas Instruments Décodeur/Démultiplicateur 3 à 8 SN74ACT238/SN74ACT238-Q1
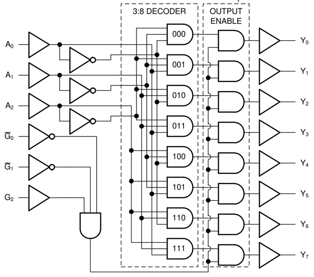
Le décodeur/démultiplicateur 3 à 8 SN74ACT238/SN74ACT238-Q1 de Texas Instruments comprend un stroboscope de sortie standard (G2) et deux stroboscopes de sortie à niveau bas actif (G1 et G0). Lorsque toutes les entrées de stroboscopes de canaux sont actives, seule la sortie sélectionnée est haute, tandis que toutes les autres sont basses. Lorsque n'importe quelle entrée de stroboscope est inactive, les sorties sont toutes forcées en état bas. Les dispositifs SN74ACT238-Q1 de Texas Instruments sont qualifiés AEC-Q100 pour les applications automobiles.Caractéristiques
- Plage de tensions de fonctionnement de 4,5 à 5,5 V
- Entrées compatibles TTL
- Conduit un courant de sortie continu de ±24 mA à 5 V
- Prise en charge des sorties jusqu'à ±75 mA à 5 V en courtes rafales
- Lignes de transmission des pilotes 50 Ω
- Fonctionnement rapide à retard de 10,9 ns (max.)
Applications
- Sélection de dispositifs de mémoire par bus de données partagé
- Données d'itinéraire
- Réduction du nombre requis de sorties pour des applications de sélection de puces
Ressources supplémentaires
- Fiche technique SN74ACT238
- Fiche technique SN74ACT238-Q1
- Guide de sélection : Guide logique
- Note d'application — Comprendre et interpréter les fiches techniques de logique standard
- Guide d'utilisation : Livre de données de poche LOGIC
- Note d'application : Conception avec logique
- Systèmes avancés d'aide à la conduite (ADAS)
Schéma de fonctionnement
Publié le: 2025-02-18
| Mis à jour le: 2025-05-06
