Texas Instruments Registres à décalage 8 bits SN74AC595/SN74AC595-Q1
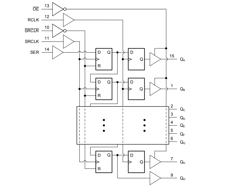
Les registres à décalages de 8 bits SN74AC595/SN74AC595-Q1 de Texas Instruments comprennent un registre à décalage de 8 bits à entrée série et à sortie parallèle procurant un registre de stockage de type D à 8 bits. Cette configuration permet le chargement de données dans le registre de décalage tandis que les sorties restent statiques. Le SN74AC595/SN74AC595-Q1 de TI dispose de sorties à 3 états pour faciliter la désactivation des sorties. Ces dispositifs offrent une sortie de registres à décalages séparés (QH ') pour connecter des registres à décalages en série. Les dispositifs SN74AC595-Q1 sont qualifiés AEC-Q100 pour les applications automobiles.Caractéristiques
- Homologation AEC-Q100 pour des applications automobiles (SN74AC595-Q1) :
- Première classe thermique de dispositif de -40 à +125 °C
- Niveau 2 de protection contre les décharges électrostatiques en modèle de corps humain (HBM ESD)
- Niveau C4B de protection contre les décharges électrostatiques en modèle d'appareil chargé (CDM ESD)
- Large plage de fonctionnement de 1,5 à 6 V
- Les entrées tolèrent des tensions inférieures ou égales à 6 V.
- Pilote de sortie ±24 mA permanent sous 5 V
- Prend en charge l'entraînement de sortie jusqu'à ±75 mA à 5 V en courtes rafales
- Pilote des lignes de transmission de 50 Ω
- tpd maximal de 12 ns à 5 V, charge de 50 pF
Applications
- Extension de sortie
- Contrôle matrice LED
- Commande d’affichage à 7 segments
Fiches techniques
Schéma logique (logique positive)
Publié le: 2024-07-19
| Mis à jour le: 2024-10-18
