Texas Instruments Grilles SN74AC2G101/SN74AC2G101-Q1
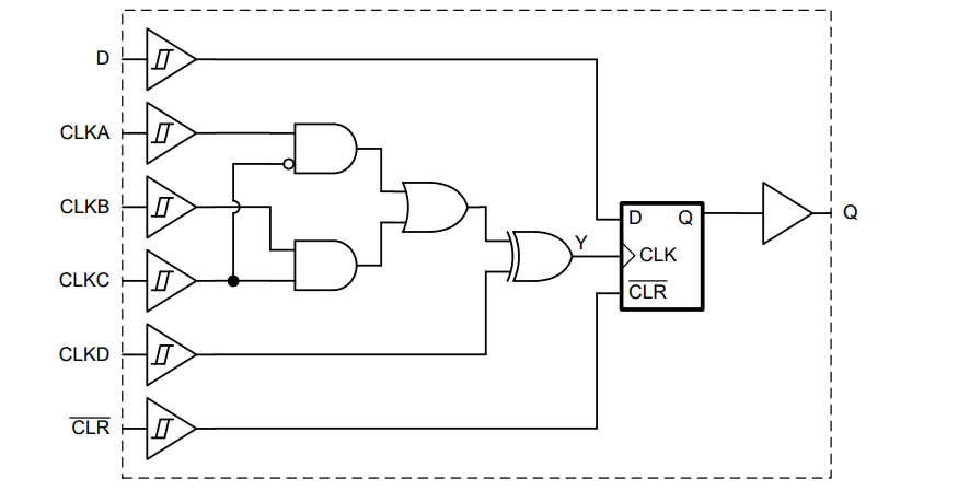
Les grilles SN74AC2G101/SN74AC2G101-Q1 de Texas Instruments présentent deux bascules indépendantes de type D avec une horloge logique configurable déclenchée par le front montant, une entrée active à faible luminosité et des entrées de données. Les entrées d’horloge peuvent être disposées pour plusieurs fonctions logiques à entrée 1 et 2, notamment un tampon, un convertisseur, AND, OR, NAND, NOR, XOR, et XNOR. Toutes les entrées disposent d’une architecture à bascule de Schmitt pour prendre en charge des signaux d’entrée lents ou bruyants.Le SN74AC2G101-Q1 de TI est homologué AEC-Q100 pour les applications automobiles.
Caractéristiques
- Homologué AEC-Q100 pour les applications automobiles (SN74AC2G101-Q1) :
- Température du dispositif de classe 1 de -40 °C à +125 °C
- Niveau 2 de la classification ESD d'appareil HBM
- Niveau de classification C4B CDM DES du dispositif
- Disponible dans un boîtier QFN à flancs mouillables
- Large plage de fonctionnement de 1,5 V à 6 V
- Les entrées acceptent des tensions jusqu'à 6 V
- Conduit un courant de sortie continu de ±24 mA à 5 V
- Prise en charge des sorties jusqu'à ±75 mA à 5 V en courtes rafales
- Pilote des lignes de transmission de 50 Ω
- tpd maximum de 11,3 ns à 5 V, charge de 50 pF
Applications
- Maintenir un signal pendant la réinitialisation du contrôleur
- Signaux d'entrée à vitesse de front lent
- Fonctionne dans des environnements bruyants
Fiches techniques
Schéma logique (logique positive)
Publié le: 2025-08-16
| Mis à jour le: 2025-08-25
