Texas Instruments Sélecteurs de données de ligne doubles 4-to-1/multiplexeurs SN74AC153-Q1
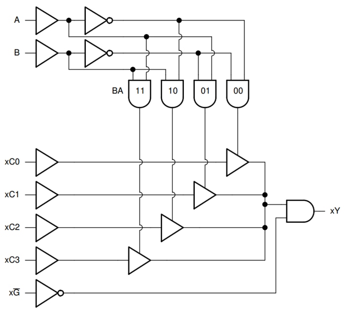
Les sélecteurs/multiplexeurs de données de ligne doubles SN74AC153-Q1 4-to-1 de Texas Instruments sont des sélecteurs/multiplexeurs de données doubles contenant un décodage binaire complet pour sélectionner l'une des quatre sources de données. Les mêmes entrées de sélection d'adresse contrôlent les deux canaux et chaque canal comprend une entrée stroboscopique (G). Un niveau élevé à la borne de temporisation du SN74AC153-Q1 de Texas Instruments force la sortie respective à un niveau bas.Caractéristiques
- Homologué AEC-Q100 pour les applications automobiles
- Dispositif de grade de température 1 de -40 °C à +125 °C
- Niveau 2 de classification d'appareil HBM ESD H2
- Niveau C4B de classification du dispositif CDM DES
- Disponible dans un boîtier QFN à flanc mouillable
- Large plage de fonctionnement de 1,5 V à 6 V
- Les entrées acceptent des tensions jusqu'à 6 V
- sortie continue de ±24 mA à 5 V
- Prend en charge une commande de sortie allant jusqu'à ±75 mA à 5 V en épisodes courts
- Pilote des lignes de transmission de 50 Ω
- tpd maximum de 20 ns à 5 V, charge de 50 pF
Applications
- Sélection des données
- Multiplexage
Ressources supplémentaires
- Note d'application : concevoir avec logique
- Note d'applicatio : Implications des entrées CMOS lentes ou flottantes
- Note d'application - Comprendre et interpréter les fiches techniques de logique standard
- Note d'application : Utilisation de CMOS haute vitesse et de CMOS avancés dans les systèmes avec plusieurs VCC
- Guide de sélection : guide logique
- Guide d'utilisation : livre de poche de données logiques
Schéma logique (logique positive)
Publié le: 2025-06-10
| Mis à jour le: 2025-06-17
