Texas Instruments Décodeur/multiplexeur de ligne 2 à 4 double SN74AC139-Q1
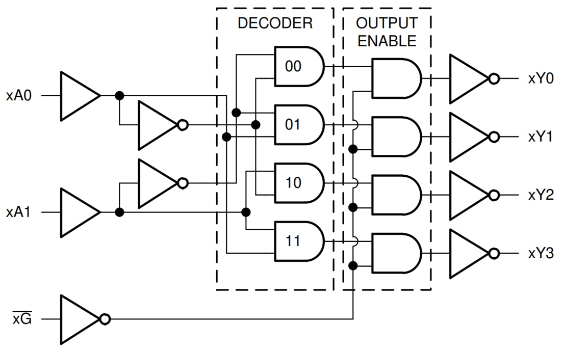
Le décodeur/multiplexeur de ligne 2 à 4 double SN74AC139-Q1 de Texas Instruments contient des décodeurs deux-à-quatre doubles avec un signal stroboscopique de sortie active basse (G). Lorsque les sorties d'un canal sont verrouillées par l'entrée stroboscopique (G = ÉLEVÉ), le SN74AC139-Q1 de Texas Instruments sont tous forcés dans l'état haut. Lorsque l'entrée stroboscopique ne désactive pas les sorties (G = BASSE), seule la sortie sélectionnée est basse, tandis que toutes les autres sont hautes.Caractéristiques
- Homologué AEC-Q100 pour les applications automobiles
- Classe de température du dispositif 1 de -40 °C à +125 °C
- Niveau 2 de la classification ESD d'appareil HBM
- Niveau C4B de classification d'appareil CDM ESD
- Disponible en package QFN à flanc mouillable
- Large plage de fonctionnement de 1,5 à 6 V
- Les entrées acceptent des tensions jusqu'à 6 V
- Sortie continue ±24 mA à 5 V
- Prend en charge une sortie jusqu'à ±75 mA à 5 VIN en courtes rafales
- Commande des lignes de transmission de 50 Ω
- tpd maximum de 9,5 ns à 5 V, charge 50 pF
Applications
- Sélection du dispositif de mémoire avec bus de données partagé
- Données d'itinéraire
- Réduisez le nombre requis de sorties pour les applications de sélection de circuit
Ressources supplémentaires
- Note d'application — Implications des entrées CMOS lentes ou flottantes
- Guide de sélection : guide logique
- Note d'application — Comprendre et interpréter les fiches techniques de logique standard
- Guide d'utilisation : Livre de données de poche LOGIQUE
- Note d'application : Concevoir avec logique
- Note d'application : Utilisation d'un CMOS haute vitesse et d'un CMOS avancé dans les systèmes avec plusieurs VCC
- Systèmes d'aide à la conduite automobile (ADAS)
Schéma fonctionnel
Publié le: 2025-03-24
| Mis à jour le: 2025-05-06
