Texas Instruments Multiplexeurs de données SN74LVC257A/SN74LVC257A-Q1
Les sélecteurs/multiplexeurs de données SN74LVC257A/SN74LVC257A-Q1 de Texas Instruments sont des dispositifs quadruples de 2 lignes à 1 ligne à retard maximal de propagation de 4,6 ns sous 3,3 V. Ces sélecteurs/multiplexeurs de données sont conçus pour multiplexer des signaux de sources de données à 4 bits aux lignes de données à 4 sorties dans des systèmes organisés par des bus. Les sorties à 3 états ne chargent pas les lignes de données lorsque l’entrée d’activation de sortie est à un niveau logique élevé. Les sélecteurs/multiplexeurs de données SN74LVC257A-Q1 sont homologués pour des applications automobiles et conçus pour fonctionner dans la plage de tensions continues de 2,7 VCC à 3,6 VCC. Ces sélecteurs/multiplexeurs de données sont utilisés dans des extenseurs d'E/S, dans des pilotes de moteurs, dans des serveurs, dans des commutateurs de réseaux et dans des infrastructures de télécom.Caractéristiques
- Retard maximal de propagation de 4,6 ns sous 3,3 V
- Les entrées acceptent des tensions jusqu’à 5,5 V.
- VOLP standard = 0,8 V (rebond de terre en sortie) sous VCC = 3,3 V, TA = 25 °C
- VOHV standard >2 V (sous-dépassement de VOH de sortie) sous VCC = 3,3 V, TA = 25 °C
- SN74LVC257A-Q1 :
- Homologués pour des applications automobiles
- Fonctionne sur une plage de tensions de 2 à 3,6 V
- La protection contre les décharges électrostatiques (DES ou ESD) dépasse 2 000 V selon MIL-STD-883, méthode 3015
- SN74LVC257A :
- Fonctionnent sur une plage de tensions de 1,65 à 3,6 V
- Les performances de verrouillage dépassent 250 mA selon la norme JESD 17.
- La protection contre les décharges électrostatiques (DES ou ESD) dépasse les dispositions de la norme JESD 22 :
- modèle du corps humain (HBM) à 2 000 V (A114-A)
- modèle machine 200 V (A115-A)
Applications
- Extensions d'E/S
- Pilotes de moteur
- Serveurs
- Commutateurs de réseau
- Infrastructures de télécommunications
- Test et mesures
- Systèmes de terminaison de modem de câble
Fiches techniques
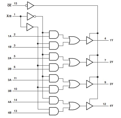
Schéma fonctionnel
Publié le: 2024-07-18
| Mis à jour le: 2024-08-28
