Texas Instruments TIA à gain programmable OPA3S2859
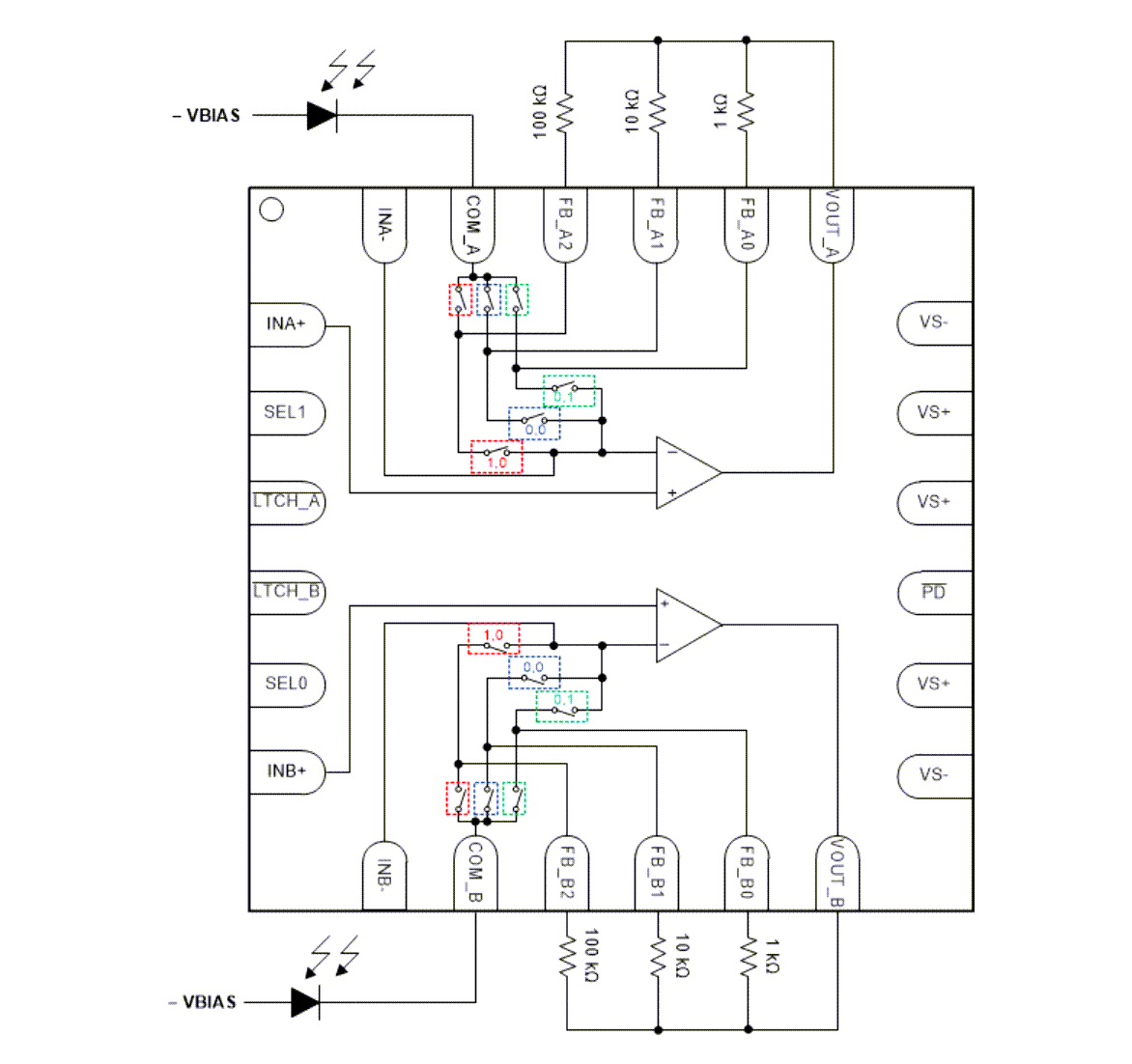
Les amplificateurs d'adaptation d'impédance (TIA) à gain programmable OPA3S2859 de Texas Instruments sont des amplificateurs à gain programmable à large bande et à faible bruit avec des entrées CMOS pour les applications d'amplification de tension et transimpédance. En utilisant l'OPA3S2859 comme amplificateur d'adaptation d'impédance (TIA), le produit de largeur de bande gain de 0,9 GHz offre des larges bandes passantes en boucle fermée dans les applications de photodiode (PD) à faible capacité.Le TI OPA3S2859 offre trois chemins de rétroaction commutés internes et un chemin de rétroaction parallèle non commuté en option qui facilite jusqu'à quatre configurations de gain sélectionnables. Les commutateurs internes minimisent les contributions parasites pour booster la performance par rapport aux systèmes qui utilisent des commutateurs externes discrets. Chaque commutateur est optimisé pour les valeurs de résistance de rétroaction à partir de <1kΩ to >100 kΩ pour les applications à large portée dynamique. Le chemin de commutation désigné est contrôlé pour les deux canaux à l'aide d'une interface parallèle à 2 fils. Pour chaque ensemble de canaux, le chemin de gain peut également être maintenu constant en exerçant la broche de verrouillage, ce qui désactive le contrôle du commutateur pour le canal sélectionné et empêche le canal de changer de gain. Les dispositifs OPA3S2859-EP ont des fils de liaison en or, une plage de température de -55 à +105 °C et une finition en plomb SnPb.
Caractéristiques
- Produit de largeur de bande gain de 900 MHz
- Commutateurs internes pour un gain programmable
- Entrées FET haute impédance
- Bruit de tension d'entrée de 2,2 nV/√Hz
- Vitesse de montée de 350 V/μs
- Plage de tension d'alimentation de 3,3 V à 5,25 V
- Courant de repos de 22 mA/canal
- Mode d'arrêt IQ de 75 μA
- Plage de température de -55 °C à 125 °C
- Prend en charge la défense, l'aérospatiale et les applications médicales
- Référence contrôlée
- Un site d'assemblage et de test
- Un site de fabrication
- Cycle de vie produit étendu
- Notification étendue de changement de produit
- Traçabilité des produits
Applications
- Amplificateur à transimpédance commutable
- Munitions intelligentes
- Mesure de la distance par laser
- Réflectométrie optique dans le domaine temporel (OTDR)
- Tampon photomultiplicateur au silicium (SiPM)
- Post-amplificateur à tube photomultiplicateur
- Amplificateur à gain programmable haute vitesse
Fiches techniques
Schéma fonctionnel
Largeur de bande de transimpédance vs fréquence
