Texas Instruments Amplificateur opérationnel sans dérive OPA180
Les ampli-ops sans dérive OPA180 Texas Instruments utilisent des techniques sans dérive pour fournir simultanément une faible tension de décalage (75 µV) et une dérive quasi nulle (0,1 μV/°C) dans le temps et la température. Ces amplificateurs de courant miniatures de haute précision à faible courant de repos 525 μA (max.) offrent une haute impédance d'entrée, un bruit 1/f très faible et des impulsions de sortie rail-à-rail oscillant à 18 mV. La plage d'entrées en mode commun comprend le rail négatif. Spécifiés pour un fonctionnement entre -40 °C et 105 °C, les amplis-ops sans dérive OPA180 sont bien adaptés pour des amplificateurs de pont, des jauges de contrainte, des équipements de test, des applications de transducteurs, des mesures de température, des balances électroniques, des instruments médicaux, des détecteurs de résistance thermique et des filtres actifs de précision.Caractéristiques
- 75µV (max) Low Offset Voltage
- 0.1µV/°C Zero-Drift
- 10nV/√Hz Low Noise
- Low 1 / f Noise
- DC Precision
- 126dB PSRR
- 114dB CMRR
- 120dB Open-Loop Gain (AOL)
- 525µA (max) Quiescent Current
- ±2V to ±18V Wide Supply Range
- Rail-to-Rail Output (Input Includes Negative Rail)
- 250pA (typ) Low Bias Current
- RFI Filtered Inputs
- MicroSIZE Packages
Applications
- Bridge Amplifiers
- Strain Gauges
- Test Equipment
- Transducer Applications
- Temperature Measurement
- Electronic Scales
- Medical Instrumentation
- Resister Thermal Detectors
- Precision Active Filters
Datasheets
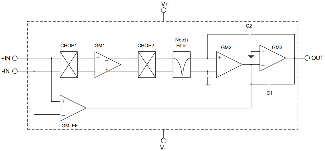
Functional Block Diagram
Publié le: 2014-08-28
| Mis à jour le: 2022-03-11
