Texas Instruments Microcontrôleurs à signal mixte MSPM0G110x
Les microcontrôleurs à signal mixte MSPM0G110x de Texas Instruments disposent d’une mémoire flash pouvant atteindre 128 ko avec un code de correction d’erreur (ECC) intégré et jusqu’à 32 ko de SRAM protégée ECC avec parité matérielle. Le MSPM0G110x fait partie de la famille de microcontrôleurs 32 bits hautement intégrés à ultra-faible puissance basée sur la plate-forme à cœur 32 bits Arm® Cortex®-M0+ améliorée, qui fonctionne à une fréquence pouvant atteindre 80 MHz. Ce MCU économique fournit une intégration périphérique analogique à hautes performances, prend en charge une plage de température étendue de -40°C à +105°C et fonctionne sur une plage de tension d’alimentation de 1,62 V à 3,6 V.Le MCU MSPM0G110x de TI est idéal pour la commande de moteur, les appareils électroménagers, les alimentations sans interruption (ASI) et les onduleurs, la médecine et la santé, l’infrastructure réseau, l’éclairage et d’autres applications.
Caractéristiques
- CPU ARM 32 bits Cortex-M0+ avec unité de protection de la mémoire, fréquence pouvant atteindre 80 MHz
- Plage de température étendue de - 40 °C à + 105 °C
- Large plage de tension d’alimentation de 1,62 V à 3,6 V
- Mémoire
- Jusqu’à 64 ko de mémoire flash avec ECC intégré
- Jusqu’à 32 ko de SRAM protégée ECC avec parité matérielle
- Périphériques analogiques haute performance
- Deux convertisseurs analogique-numérique (CAN) 12 bits 4 MS/s d’échantillonnage simultané avec jusqu’à 17 canaux externes
- Résolution efficace 14 bits à 250 kS/s avec moyenne matérielle
- Un amplificateur à usage général (GPAMP)
- Référence de tension partagée interne configurable de 1,4 V ou 2,5 V (VREF)
- Capteur de température intégré
- Deux convertisseurs analogique-numérique (CAN) 12 bits 4 MS/s d’échantillonnage simultané avec jusqu’à 17 canaux externes
- Périphériques numériques intelligents
- Contrôleur DMA à 7 canaux
- Deux minuteurs de contrôle avancé 16 bits prenant en charge l’insertion dans la bande morte et le traitement des défaillances
- Sept minuteurs prenant en charge jusqu’à 22 canaux PWM
- Un minuteur 16 bits à usage général
- Un minuteur 16 bits à usage général prend en charge les interfaces QEI
- Deux minuteurs 16 bits à usage général prennent en charge un fonctionnement à faible puissance en mode veille
- Un minuteur à usage général 32 bits
- Deux minuteurs avancés 16 bits avec bande morte
- Deux minuteurs watchdog à fenêtre
- RTC avec mode alarme et calendrier
- Interfaces de communication améliorées
- Quatre interfaces UART ; l'une prend en charge LIN, IrDA, DALI, Smart Card et Manchester, et trois prennent en charge un fonctionnement à faible puissance en mode veille.
- Deux interfaces I2C pouvant prendre en charge FM+ (1 Mbit/s), SMBus/PmBus et le réveil depuis le mode arrêt
- Deux interfaces SPI, avec une interface SPI prenant en charge jusqu'à 32Mbits/s
- Modes faible puissance optimisés
- Fonctionnement : 96 µA/MHz (CoreMark)
- Veille : 200 µA à 4 MHz
- Arrêt : 50 µA à 32 kHz
- Veille : 1,5 µA avec rétention RTC et SRAM
- Arrêt : 100 nA avec capacité de réveil E/S
- Système d'horloge
- Oscillateur interne de 4 MHz à 32 MHz avec une précision jusqu’à ±1 % (SYSOSC)
- Boucle à verrouillage de phase (PLL) jusqu’à 80 MHz
- Oscillateur interne à 32 kHz (LFOSC)
- Oscillateur à quartz externe (HFXT) de 4 MHz à 48 MHz
- Oscillateur à quartz externe à 32 kHz (LFXT)
- Entrée d'horloge externe
- Intégrité et cryptage des données : Vérificateur de redondance cyclique (CRC-16, CRC-32)
- E/S flexibles
- Jusqu’à 60 GPIO
- Deux E/S tolérantes au 5 V
- Deux E/S à disque élevé avec une force d’entraînement de 20 mA
- Prise en charge du développement SWD (Serial Wire Debug) à 2 broches
- Options de boîtier
- LQFP 64 broches
- LQFP, VQFN 48 broches
- VQFN 32 broches
- VSSOP 28 broches
- VQFN 24 broches
- Membres de la famille
- MSPM0G1105 : 32 ko de mémoire flash, 16 ko de RAM
- MSPM0G1106 : 64 ko de mémoire flash, 32 ko de RAM
- MSPM0G1107 : 128 ko de mémoire flash, 32 ko de RAM
- Kits de développement et logiciels
- Kit de développement LaunchPad™ LP-MSPM0G3507
- Kit de développement de logiciel (SDK) MSP
Applications
- Commande de moteurs
- Appareils ménagers
- ASI et onduleurs
- Systèmes électroniques de point de vente (PDV)
- Médecine et santé
- Test et mesure
- Automatisation et commande d'usine
- Transport industriel
- Infrastructure de réseau
- Compteur intelligent
- Modules de communication
- Éclairage
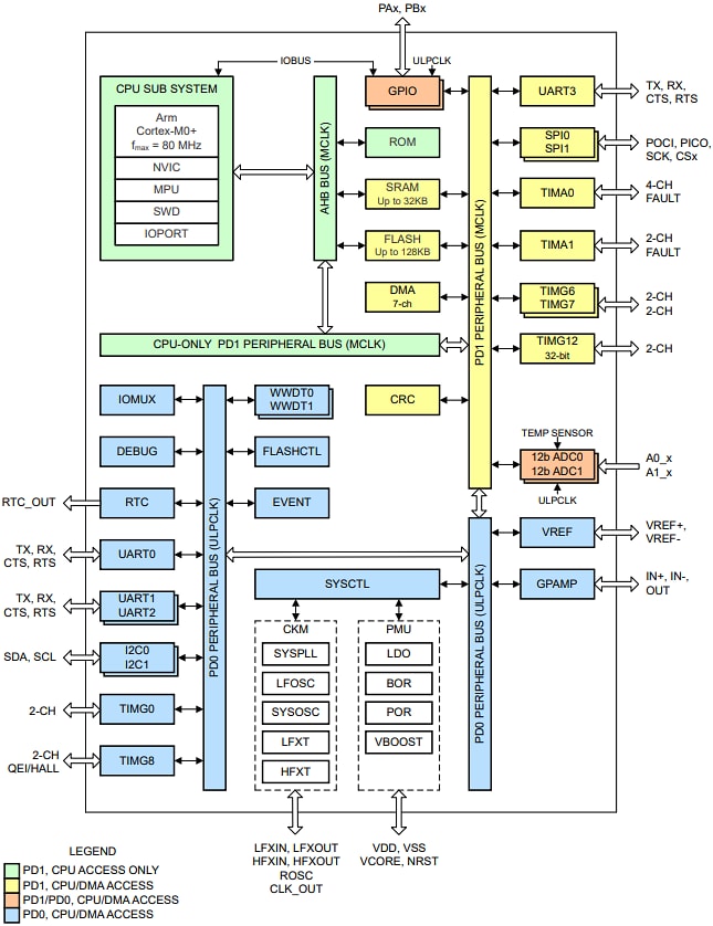
Schéma fonctionnel
Publié le: 2023-04-03
| Mis à jour le: 2025-04-16
