Texas Instruments Régulateur abaisseur 60 V 3 A LV14360
Le régulateur abaisseur 60 V 3 A LV14360 de Texas Instruments est fourni avec un MOSFET côté haut intégré. Avec une large plage d’entrée de 4,3 V à 60 V, ce composant est adapté à diverses applications industrielles et automobiles pour le conditionnement de puissance à partir de sources non régulées. Le courant de repos du régulateur est de 300µA en mode veille, ce qui est idéal pour les systèmes alimentés par batterie. Un courant ultra-faible de 1µA en mode d’arrêt peut encore prolonger la durée de vie de la batterie. Une vaste plage de fréquence de commutation réglable permet d’optimiser le rendement ou la taille des composants externes. La compensation de boucle interne signifie que l'utilisateur est libéré de la tâche fastidieuse de conception de la compensation de boucle. Cette caractéristique permet également de minimiser les composants externes de l'appareil. Une entrée d’activation de précision permet de simplifier le contrôle du régulateur et le séquençage de l’alimentation du système. Le composant dispose également de caractéristiques de protection intégrées telles que la limite de courant cycle par cycle, la détection thermique, l’arrêt en raison d’une dissipation de puissance excessive et une protection contre les surtensions en sortie. Le LV14360 de Texas Instruments est disponible en boîtier HSOIC 4,89 mm × 3,9 mm à 8 broches avec pastille exposée pour une faible résistance thermique.Caractéristiques
- Plage d'entrée de 4,3 V à 60 V
- Puissance de sortie continue de 3 A
- Courant de repos en fonctionnement : 300 µA
- MOSFET côté haut 155 mΩ
- Contrôle du mode courant
- Fréquence de commutation réglable de 200 kHz à 2 MHz
- Synchronisation de la fréquence avec une horloge externe
- Compensation interne pour une utilisation facile
- Exploitation à cycle de service élevé prise en charge
- Entrée de précision
- Courant d'arrêt : 1 µA
- Protection thermique, contre les surtensions et les courts-circuits
- Boîtier HSOIC à 8 broches avec PowerPAD™
Applications
- Sources d’alimentation industrielles
- Équipements de communication et modules datacom
- Régulation large VIN à usage général
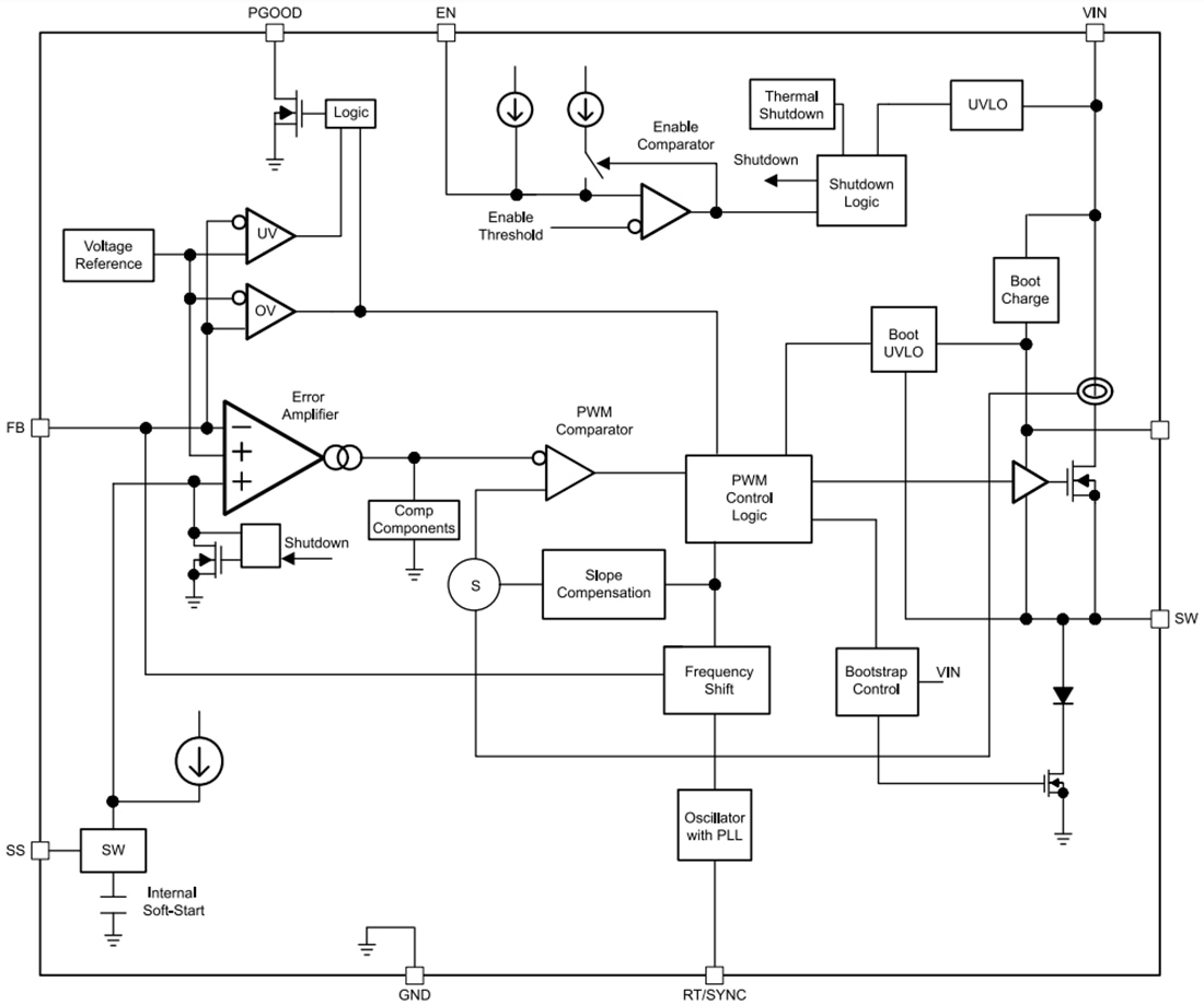
Schéma fonctionnel
Publié le: 2020-12-07
| Mis à jour le: 2024-10-11
