Texas Instruments Convertisseur Buck SIMPLE SWITCHER® LV14240
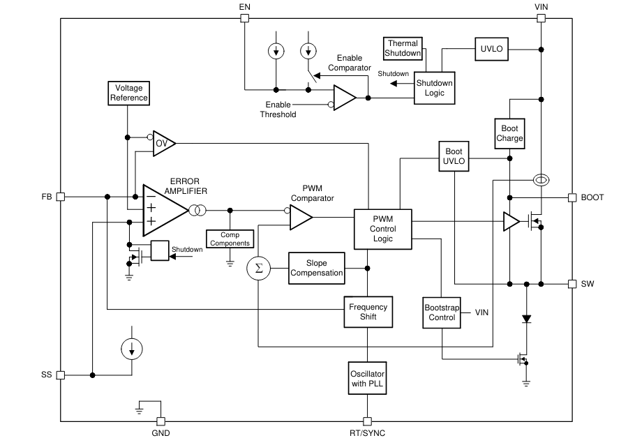
Le convertisseur Buck SIMPLE SWITCHER® LV14240 de Texas Instruments offre une large plage d’entrée de 4 V à 40 V, développée pour diverses applications industrielles et automobiles avec conditionnement d’alimentation des sources non régulées. Le régulateur abaisseur LV14240 40 V, 2 A dispose d’un MOSFET côté haut intégré avec une large plage de fréquence de commutation réglable pour l'efficacité ou une taille de composant externe optimisée.Le convertisseur LV14240 de TI intègre une compensation interne en boucle qui minimise la quantité de composants externes de l'appareil. Une entrée de validation de précision permet de simplifier le contrôle du régulateur et le séquençage de l'alimentation du système. Le LV14240 dispose également d'options de protection intégrées telles qu'une limite du courant cycle par cycle, la détection thermique, l'arrêt en cas de dissipation d'énergie excessive et la protection des sorties contre la surtension.
Caractéristiques
- Produit plus récent disponible - Convertisseur Buck synchrone 4,5 V à 36 V 2 A LMR51420
- Pour un délai de commercialisation plus rapide - Module d’alimentation Buck synchrone 3,6 V à 36 V 2 A TLVM13620
- Plage d’entrée de 4 V à 40 V
- Courant de sortie continu 2 A
- MOSFET côté haut de 100 mΩ
- 100 ns minimum à temps
- Contrôle du mode courant
- Fréquence de commutation réglable de 200 kHz à 2 MHz
- Synchronisation de fréquence sur l'horloge externe
- Compensation interne pour une utilisation facile
- Exploitation à cycle de service élevé prise en charge
- Entrée de précision
- Courant d’arrêt de 1 µA
- Démarrage progressif interne
- Protection thermique, contre les surtensions et les courts-circuits
- SOIC 8 broches avec boîtier PowerPAD™
Applications
- Régulation de batterie automobile
- Alimentations industrielles
- Systèmes de télécommunication et de datacom
Schéma
Schéma fonctionnel
Publié le: 2024-05-14
| Mis à jour le: 2024-05-22
