Texas Instruments Pilote de rétroéclairage LED LP8872-Q1
Le pilote de rétroéclairage LED LP8872-Q1 de Texas Instruments est un pilote LED automobile haute efficacité, faible EMI et facile à utiliser, avec un commutateur d'alimentation CC-CC intégré. Le convertisseur CC-CC prend en charge les configurations de topologie SEPIC et Boost. Les six puits de courant de haute précision prennent en charge le déphasage MLI, qui est automatiquement ajusté en fonction du nombre de canaux utilisés. L’interface I2C ou l’entrée MLI peut contrôler la luminosité des LED de manière globale.Le convertisseur élévateur dispose d'un contrôle adaptatif de la tension de sortie basé sur les tensions de marge des puits de courant LED. Cette caractéristique minimise la consommation d'énergie en ajustant la tension Boost au niveau le plus bas suffisant dans toutes les conditions. Le LP8872-Q1 de Texas Instruments prend en charge la gradation analogique de courant intégrée et la gradation hybride MLI, ce qui réduit les EMI, augmente l'efficacité optique totale et prolonge la durée de vie des LED.
Caractéristiques
- Qualifié AEC-Q100 pour les applications automobiles avec une température de dispositif de classe 1, TA, de -40 °C à +125 °C
- Plage de fonctionnement de la tension d'entrée de 3 V à 48 V
- Six dissipateurs de courant de haute précision
- Courant CC allant jusqu'à 150 mA pour chaque canal
- Adaptation de courant 1 % (standard)
- Rapport de gradation élevé de 32 000:1 en utilisant une fréquence MLI de sortie LED de 152 Hz
- Résolution de gradation MLI LED allant jusqu’à 16 bits avec entrée MLI ou I2C
- Prise en charge du contrôle indépendant de gradation MLI pour chaque canal
- Convertisseurs CC-CC boost ou SEPIC avec une VOUT atteignant 48 V
- FET de commutation intégré de 5,4 A
- Prise en charge de l'exploitation Boost/SEPIC
- Efficacité accrue avec RDSON de 60 mΩ et commutation rapide
- Spectre étalé aléatoire double sélectionnable Boost pour une réduction des EMI
- Démarrage progressif réglable d'un convertisseur
- Entrée de synchronisation Boost pour régler la fréquence de commutation Boost à partir d'une horloge externe
- Tension de sortie déchargée automatiquement lorsque l'amplification est désactivée
- Gradation MLI avec décalage de phase automatique et gradation MLI directe
- Gradation hybride et gradation analogique 12 bits
- Détection et protection étendues des défauts
- Interface de contrôle I2C jusqu’à 1 MHz avec contrôle CRC
- Détection d'erreur d'intégrité des bits (CRC) sur les registres de configuration internes et la mémoire non volatile (NVM)
- Tension d'entrée OVP, UVLO et OCP
- Protection Boost contre les surintensités et les surtensions
- Détection de défaut LED ouverte, court-circuit et court-circuit à la terre
- Avertissement thermique et arrêt thermique
- Solution de petite taille et à faible coût
- Fréquence de commutation large programmable dynamiquement de 100 kHz à 2,2 MHz
- Disponible dans un boîtier QFN HotRod™ de 4 mm × 4 mm avec flanc mouillable
Applications
- Rétroéclairage pour
- Infodivertissement et tableaux de bord automobiles
- Miroirs intelligents
- Affichage central d'information (CID)
- Affichage tête haute (HUD)
- Systèmes de surveillance par caméra
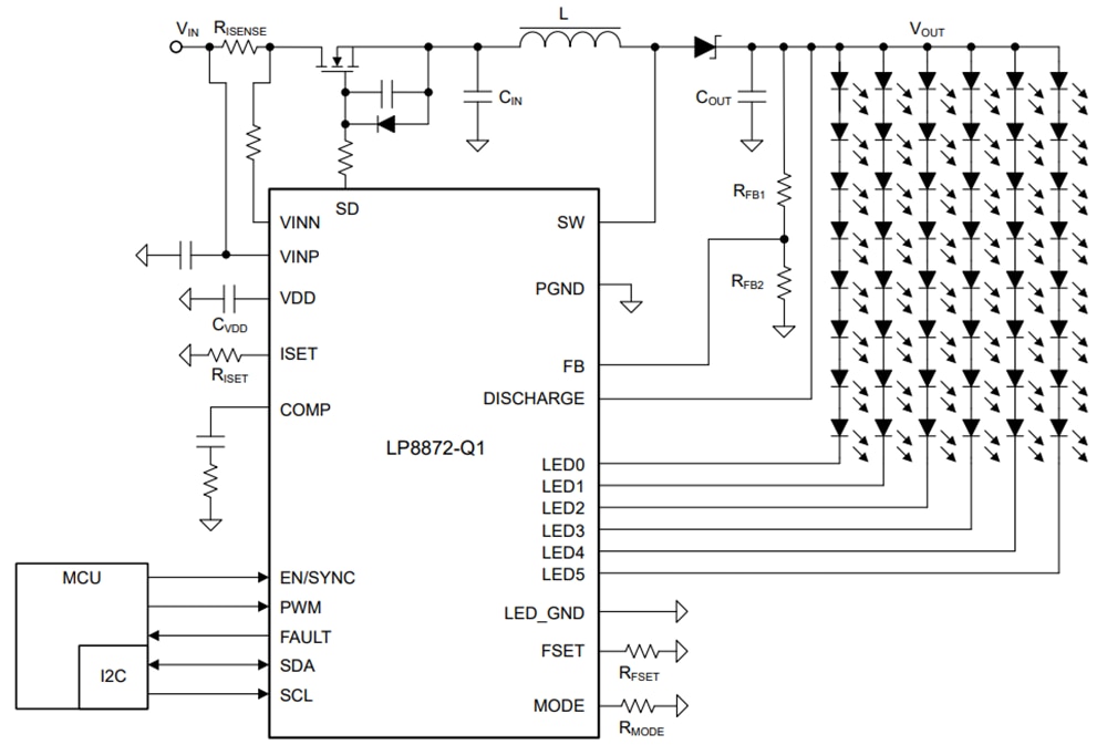
Schéma simplifié
Publié le: 2025-09-17
| Mis à jour le: 2025-09-28
