Texas Instruments PMIC automobile LP8769x-Q1
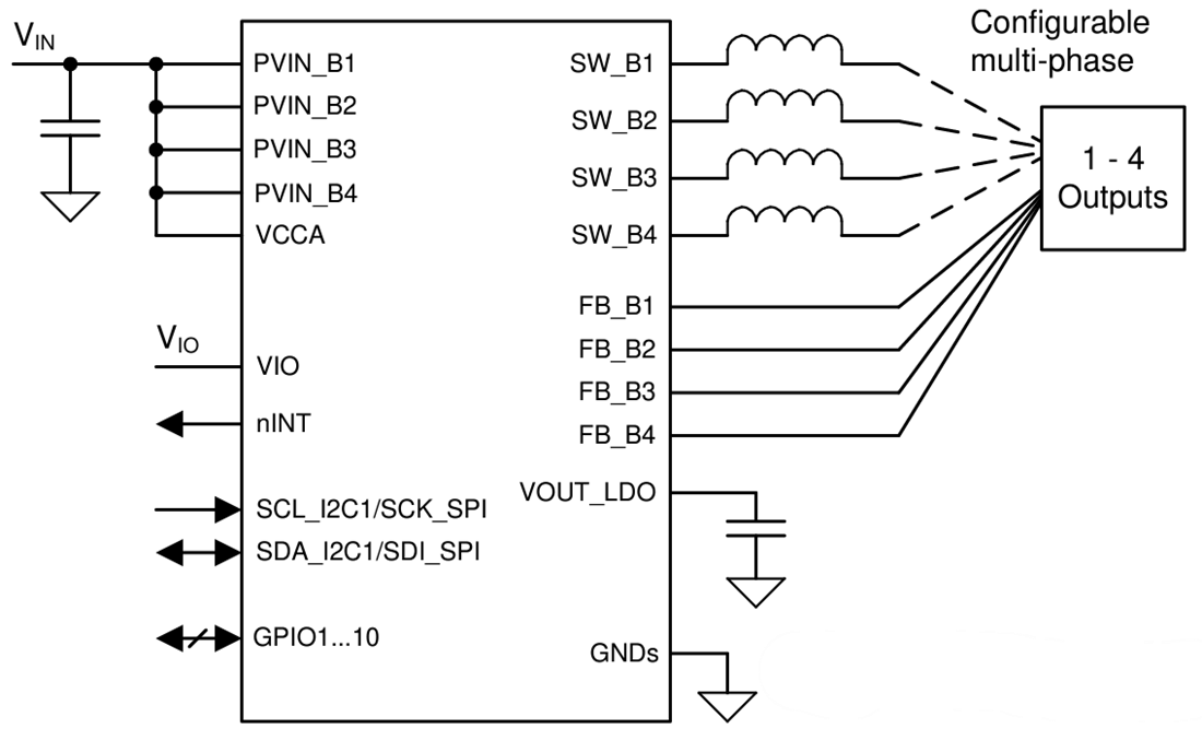
Le CI de gestion d'alimentation automobile (PMIC) LP8769x-Q1 Texas Instruments est conçu pour répondre aux exigences des processeurs et plateformes actuels en matière de gestion de l'énergie dans diverses applications industrielles et automobiles liées à la sécurité. Le dispositif comporte quatre cœurs de convertisseurs CC/CC abaisseurs configurables. Il peut être configuré pour cinq phases, d'une sortie quadriphasée à quatre sorties monophasées. Une interface série compatible I2C ou une interface série SPI peut modifier les paramètres du dispositif.Le fonctionnement automatique PFM/MLI (mode AUTO) et l'ajout et le retrait automatique de phase maximisent l'efficacité sur une large plage de courant de sortie. Le dispositif LP8769x-Q1 Texas Instruments prend en charge la détection à distancede tension de différentielle pour les sorties multiphases afin de compenser la chute d'IR entre le point de charge (POL) et la sortie du régulateur, améliorant ainsi la précision de la tension de sortie. Les phases sont entrelacées et l'horloge de commutation peut être forcée en mode MLI. Le mode à spectre étalé peut être activé pour minimiser les perturbations, et la commutation peut être synchronisée avec une horloge externe.
Caractéristiques
- Certifiés AEC-Q100 avec les résultats suivants
- Plage de tension d'entrée de 2,8 V à 5,5 V
- Température de dispositif de classe 1 (plage de température de fonctionnement ambiante de -40° C à +125° C)
- Classification DES de niveau 2 pour dispositif HBM
- Classification DES de niveau C4B pour dispositif CDM
- Conforme à la sécurité fonctionnelle
- Développé pour les applications de sécurité fonctionnelle
- Documentation pour la conception de systèmes ISO 26262 jusqu'à ASIL D
- La documentation est disponible pour aider à la conception du système CEI 61508 jusqu'à SIL-3
- Capacité systématique jusqu'à ASIL D
- Intégrité matérielle jusqu'à ASIL-D
- Moniteurs de surintensité et de tension fendus
- Watchdog avec mode de déclenchement / Q&A sélectionnable
- Surveillance du signal d'erreur de niveau ou MLI (ESM)
- Surveillance thermique avec alerte de température élevée et arrêt thermique
- Détection d'erreur d'intégrité de bit (CRC) sur les registres de configuration et la mémoire non volatile
- Quatre convertisseurs CC/CC abaisseurs à haut rendement
- Tension de sortie de 0,3 V à 3,34 V (0,3 V à 1,9 V pour les sorties multiphases)
- Courant de sortie maximal de 5 A par phase, jusqu'à 20 A avec une configuration à 4 phases.
- Taux de dérive de tension de sortie programmable de 0,5 mV/µs à 33 mV/µs
- Fréquence de commutation 2,2 MHz ou 4,4 MHz
- Dix entrées/sorties polyvalentes configurables (GPIO)
- Interface SPMI pour synchronisation multi-PMIC
- Moniteur de surtension d'entrée (OVP) et verrouillage de sous-tension (UVLO)
Applications
- Systèmes d'aide à la conduite automobile (ADAS)
- Caméra avant
- ECU système vue panoramique
- Radar longue portée
- Fusion de capteur
- Contrôleur de domaine
Schéma simplifié
Ressources supplémentaires
Publié le: 2024-09-11
| Mis à jour le: 2025-05-12
