Texas Instruments Tampon/multiplexeur/diviseur JESD LMX1204
Le tampon, multiplexeur et diviseur JESD LMX1204 de Texas Instruments a une capacité de fréquence élevée et une gigue extrêmement faible. Cette caractéristique en fait une excellente approche pour la précision de l'horloge et les convertisseurs de données haute fréquence sans dégradation du rapport signal-bruit. Chacune des quatre sorties d'horloge haute fréquence et la sortie LOGICLK supplémentaire, avec une plage de diviseur plus grande, est associée à un signal d'horloge de sortie SYSREF. Le signal SYSREF pour les interfaces JESD peut être soit généré en interne, soit passé en entrée et re-synchronisé sur les horloges du composant. Pour les applications d'horloge à convertisseur de données, avoir une gigue d'horloge inférieure à la gigue d'ouverture est essentiel. Dans les applications où plus de quatre convertisseurs de données doivent être synchrones, diverses architectures en cascade peuvent être développées en utilisant plusieurs dispositifs pour distribuer toutes les horloges à haute fréquence et signaux SYSREF nécessaires. Avec une faible gigue et un plancher de bruit, le LMX1204 de Texas Instruments, combiné à une source d'horloge de référence à ultra-faible bruit, est une sélection exemplaire pour les convertisseurs d'horloge de données, surtout en cas d'échantillonnage au-dessus de 3 GHz.Caractéristiques
- Fréquence de sortie de 300 MHz à 12,8 GHz
- Bruit ultra-faible
- Plancher de bruit de -161 dBc/Hz à une sortie de 6 GHz
- Bruit 1/f de -154 dBc/Hz à une sortie de 6 GHz, avec un décalage de 10 kHz
- Gigue de 5 fs (12 kHz à 20 MHz)
- Gigue additive < 30 fs (CC à fCLK)
- Quatre horloges haute fréquence avec des sorties SYSREF correspondantes
- Diviseur partagé qui prend en charge ÷1 (mode tampon), ÷2, 3, 4, 5, 6, 7 et 8
- Multiplicateur basé sur PLL partagé qui prend en charge x1 (mode filtre), x2, x3 et x4
- Sorties LOGICLK et SYSREF correspondantes
- Sur une banque divisée séparée
- Pré-diviseur ÷1, 2, 4
- ÷1 (dérivation), 2, …, post-diviseur 1023
- Huit niveaux de puissance de sortie programmables
- Sorties d'horloge SYSREF synchronisées
- 508 ajustements d'étape de retard de moins de 2,5 ps chacun à 12,8 GHz
- Modes de générateur et de répéteur
- Caractéristique de fenêtrage pour les broches SYSREFREQ afin d'optimiser le séquencement
- Caractéristique SYNC pour tous les diviseurs et dispositifs multiples
- Tension d'exploitation de 2,5 V
- Température de fonctionnement de -40 °C à 85 °C
Applications
- Test et mesure
- Oscilloscope
- Testeurs d'équipements sans fil
- Numériseurs à large bande
- À usage général
- Horloge convertisseur de données
- Distribution/division de tampon d'horloge
- Aérospatiale et défense
- Équipement radar
- Guerre électronique
- Frontal du demandeur
- Munitions
- Antenne réseau à commande de phase/formation de faisceau
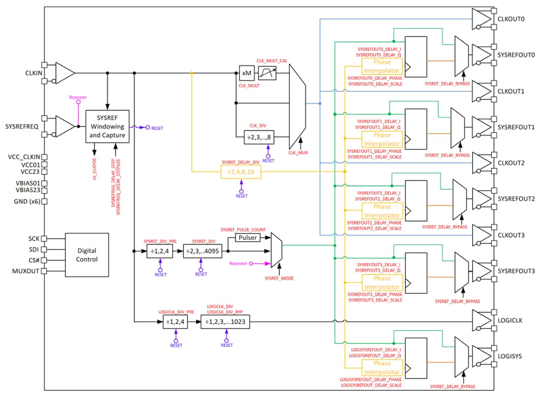
Schéma fonctionnel
Publié le: 2024-06-21
| Mis à jour le: 2024-06-25
