Texas Instruments Régulateurs élévateurs de tension série LMR62421 SIMPLE SWITCHER®
Les régulateurs élévateurs de tension LMR62421 SIMPLE SWITCHER® Texas Instruments sont des régulateurs commutateurs côté bas de 2,1 A faciles à utiliser et compacts, idéaux pour la régulation CC-CC SEPIC et élévatrice. Le modèle LMR62421 fournit toutes les fonctions actives pour réaliser une conversion CC-CC locale avec réponse transitoire rapide et régulation précise avec un encombrement minimale sur la carte. Avec une fréquence de commutation définie en interne à 1,6 MHz, il autorise l'emploi d'inducteurs et de condensateurs miniatures à montage en surface, tout en offrant un rendement proche de 90 %. Le contrôle du mode courant et la compensation interne allient facilité d'utilisation, nombre minimal de composants et une régulation haute performance sur un large éventail de conditions de fonctionnement. L'arrêt externe se caractérise par un courant ultra faible en mode veille de 80 nA, idéal pour les applications portables. De petits boîtiers SOT-23 à 5 broches et WSON à 6 broches permettent d'économiser l'espace. Il est également doté d'un démarrage doux, de circuits visant à réduire le courant d'appel, d'une limitation de courant cycle par cycle et d'un arrêt thermique.Caractéristiques
- Input Voltage Range of 2.7V to 5.5V
- Output Voltage up to 24V
- Switch Current up to 2.1A
- 1.6MHz Switching Frequency
- Low Shutdown Iq, 80nA
- Cycle-by-Cycle Current Limiting
- Internally Compensated
- Internal Soft-Start
- 5-Pin SOT-23 (2.92 x 2.84 x 1mm) and 6-Pin WSON (3 x 3 x 0.8mm) Packaging
- Fully Enabled for WEBENCH® Power Designer
Applications
- Boost / SEPIC Conversions from 3.3V, 5V Rails
- Space Constrained Applications
- Embedded Systems
- LCD Displays
- LED Applications
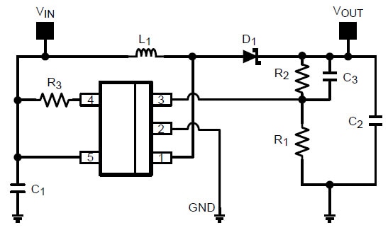
Typical Application Circuit
Publié le: 2014-02-27
| Mis à jour le: 2022-03-11
