Texas Instruments Convertisseur de puissance LMR544xx SIMPLE SWITCHER®
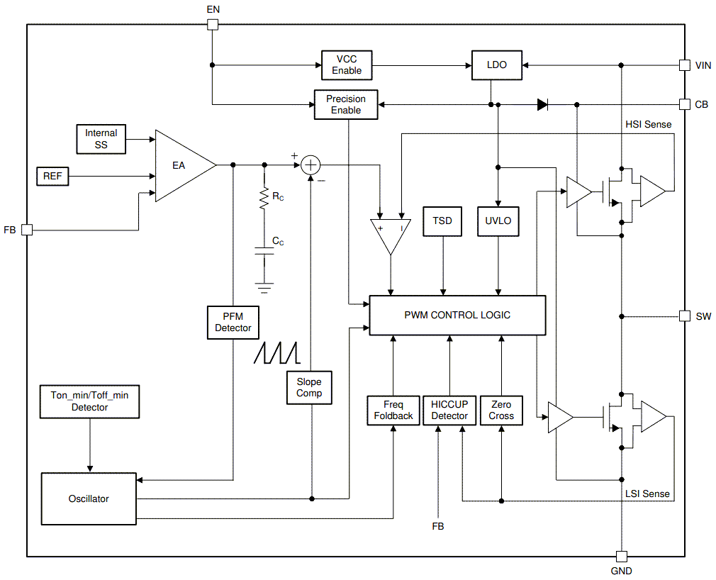
Le convertisseur de puissance LMR544xx SIMPLE SWITCHER® de Texas Instruments est un convertisseur Buck synchrone à large VIN, facile à utiliser, capable d'alimenter jusqu'à 1 A et 0,6 A de courant de charge. Avec une large gamme d'entrée de 4 V à 36 V, le dispositif convient à une large gamme d'applications industrielles pour le conditionnement de l'énergie à partir d'une source non régulée.Le LMR544xx de Texas Instruments fonctionne à une fréquence de commutation de 1,1 MHz pour prendre en charge l'utilisation d'inducteurs relativement petits pour une taille de solution optimisée. Il existe une version PFM pour obtenir un rendement élevé à faible charge et une version FPWM pour obtenir une fréquence constante et une faible ondulation de la tension de sortie sur toute la plage de charge. Les circuits de démarrage progressif et de compensation sont mis en œuvre en interne, ce qui permet d'utiliser le dispositif avec un minimum de composants externes.
Le composant dispose de caractéristiques de protection intégrées, telles que la limitation de courant cycle par cycle, la protection contre les courts-circuits en mode « hoquet » et l'arrêt thermique en cas de dissipation de puissance excessive.
Caractéristiques
- Compatible avec la sécurité fonctionnelle
- Documentation disponible pour aider à la conception de systèmes de sécurité fonctionnels
- Configuré pour les applications industrielles robustes
- Plage de tension d'entrée de 4 V à 36 V
- Supporte jusqu'à 50 V de VIN transitoires courts
- 0,6 A/1 A courant de sortie continu
- 60 ns minimum de temps d'allumage
- Fréquence de commutation fixe de 1,1 MHz
- Plage de température de jonction de –40° C à 150° C
- Cycle de service maximal de 98 %
- Démarrage monotone avec sortie pré-polarisée
- Protection contre les courts-circuits avec mode hoquet
- Activation de précision
- Référence de tension de tolérance ±1 %
- Petite taille de solution et facilité d'utilisation
- Redressement synchrone intégré
- Compensation interne pour une utilisation facile
- Boîtier SOT-23
- Compatible broche-à-broche avec les LMR14010A, LMR50410 et TPS560430
- Diverses options dans un boîtier compatible broche à broche
- Options PFM et PWM forcé (FPWM)
Applications
- Gros électroménager
- PLC, DCS et PAC
- Compteurs intelligents
- Alimentations VIN larges et polyvalentes
Diagramme fonctionnel
