Texas Instruments Convertisseurs de puissance LMR516xx/LMR516xx-Q1
Les convertisseurs de puissance LMR516xx/LMR516xx-Q1 SIMPLE SWITCHER® de Texas Instruments sont des convertisseurs Buck synchrones à large VIN faciles à utiliser et capables de piloter un courant de charge pouvant atteindre 0,6 A et 1 A. Avec une large plage d'entrée de 4 V à 65 V, le dispositif est conçu pour diverses applications industrielles pour le conditionnement de puissance à partir d'une source non régulée. Le LMR516xx/LMR516xx-Q1 fonctionne à une fréquence de commutation de 400 kHz et 1,1 MHz pour prendre en charge des inducteurs relativement petits pour une taille de conception optimisée. Le LMR516xx/LMR516xx-Q1 dispose d’une version PFM pour obtenir une efficacité élevée à faible charge et d’une version FPWM pour obtenir une fréquence constante et une faible ondulation de tension de sortie sur l’ensemble de la plage de charge. Les circuits de démarrage progressif et de compensation sont mis en œuvre en interne, ce qui permet d'utiliser le dispositif avec un minimum de composants externes.Le LMR516xx/LMR516xx-Q1 de Texas Instruments dispose de fonctions de protection intégrées, telles que la limite du courant cycle par cycle, la protection contre les courts-circuits en mode hoquet et l'arrêt thermique en cas de dissipation d'énergie excessive. Les dispositifs LMR516xx-Q1 sont qualifiés AEC-Q100 pour les applications automobiles.
Caractéristiques
- Compatible avec la sécurité fonctionnelle
- Documentation disponible pour aider à la conception de systèmes de sécurité fonctionnels
- Configuré pour les applications industrielles robustes
- Plage de tension d’entrée de 4 V à 65 V
- Protection transitoire d'entrée jusqu'à 70 V
- 0,6 A/1 A courant de sortie continu
- Temps de commutation minimum de 80 ns
- Fréquence de commutation fixe de 400 kHz et 1,1 MHz
- Plage de température de jonction de –40° C à 150° C
- Cycle de service maximal de 98 %
- Démarrage monotone avec sortie pré-polarisée
- Protection contre les courts-circuits avec mode « hoquet »
- Activation de précision
- Référence de tension de tolérance ±1,5 %
- Format compacte et facilité d'utilisation
- Redressement synchrone intégré
- Compensation interne pour une utilisation facile
- Boîtier SOT-23
- Diverses options dans un boîtier compatible broche-à-broche
- Options PFM et PWM forcé (FPWM)
- Compatible broche à broche avec LMR16006, LV2862, LMR50410, TPS560430, LMR54406 et LMR54410
Applications
- Gros électroménager
- PLC, DCS et PAC
- Compteurs intelligents
- Alimentation
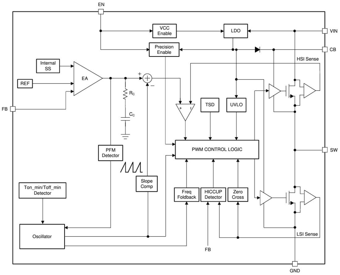
Schéma fonctionnel
Publié le: 2024-03-05
| Mis à jour le: 2025-08-01
