Texas Instruments Convertisseurs abaisseurs synchrones LMR516x5
Les convertisseurs abaisseurs synchrones LMR516x5 de Texas Instruments peuvent alimenter un courant de charge allant jusqu'à 2,5 A ou 3,5 A. Avec une plage d'entrée de 4,3 V à 60 V, les dispositifs sont conçus pour diverses applications industrielles nécessitant un conditionnement de puissance à partir d'une source non régulée. Le LMR516x5 de Texas Instruments fonctionne à une fréquence de commutation de 400 kHz ou 1,1 MHz pour prendre en charge des inductances relativement petites pour une taille de conception optimisée. Le dispositif dispose d'une modulation d'impulsion en fréquence (version PFM) pour atteindre une haute efficacité à charge légère et d'une modulation de largeur d'impulsion forcée (version PFM) pour obtenir une faible ondulation de la tension de sortie et une fréquence constante sur toute la plage de charge. Les circuits de compensation et de démarrage progressif sont mis en œuvre en interne, ce qui permet d'utiliser le dispositif avec un minimum de composants externes.Le dispositif dispose de fonctions de protection intégrées, telles que la limite du courant, le cycle par cycle, l'arrêt thermique et la protection contre les courts-circuits en mode de blocage en cas de dissipation d'énergie excessive.
Caractéristiques
- Configuré pour les applications industrielles robustes
- Plage de tension d'entrée de 4,3 V à 60 V
- Courant de sortie continu de 2,5 A ou 3,5 A
- Faible courant de repos en fonctionnement de 29 µA
- Temps de commutation minimum de 70 ns
- Fréquence de commutation de 400 kHz et 1,1 MHz
- Spectre de fréquence étalé (variant PFM)
- Plage de température de jonction de -40 °C à +150 °C
- Rapport cyclique maximum de 96 %
- Démarrage monotone avec sortie pré-polarisée
- Protection contre les courts-circuits avec mode « hoquet »
- Activation de précision
- Tolérance de ±1 % de la tension de référence
- Compatible avec la sécurité fonctionnelle, avec documentation disponible pour faciliter la conception du système de sécurité fonctionnelle
- Petite taille de conception et facilité d'utilisation
- Redressement synchrone intégré
- Compensation interne pour une utilisation facile
- Boîtier SOT-23
- Diverses options dans des boîtiers compatibles broche à broche avec options PFM et MLI forcée (FPWM)
Applications
- Grands appareils
- PLC, DCS et PAC
- Compteurs intelligents
- Alimentations électriques générales à large plage d'entrée VIN
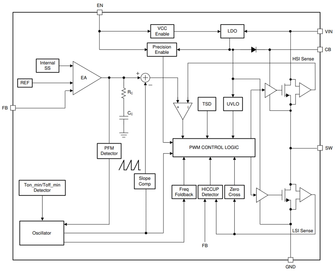
Schéma fonctionnel
Publié le: 2025-03-24
| Mis à jour le: 2025-04-18
