Texas Instruments Convertisseurs de puissance LMR514xx SIMPLE SWITCHER®
Les convertisseurs d'alimentation LMR514xx SIMPLE SWITCHER® deTexas Instruments sont des convertisseurs Buck synchrones faciles à utiliser, à large VIN, qui peuvent diriger des courants de charge allant jusqu'à 0,6 A (LMR51406) ou 1 A (LMR51410). L'appareil est conçu pour diverses applications industrielles avec une large plage d'entrée de 4 V à 42 V pour le conditionnement de l'énergie à partir d'une source non régulée.Le LMR514xx de Texas Instruments fonctionne à la fréquence de commutation de 400 kHz et 1,1 MHz afin de prendre en charge des inductances relativement petites pour une taille de conception optimisée. Il existe une version PFM pour obtenir un rendement élevé à faible charge et une version FPWM pour obtenir une faible ondulation de la tension de sortie sur toute la plage de charge et à fréquence constante. Les circuits de compensation et le démarrage progressif sont implémentés en interne, ce qui permet d'utiliser l'appareil avec un minimum de composants externes.
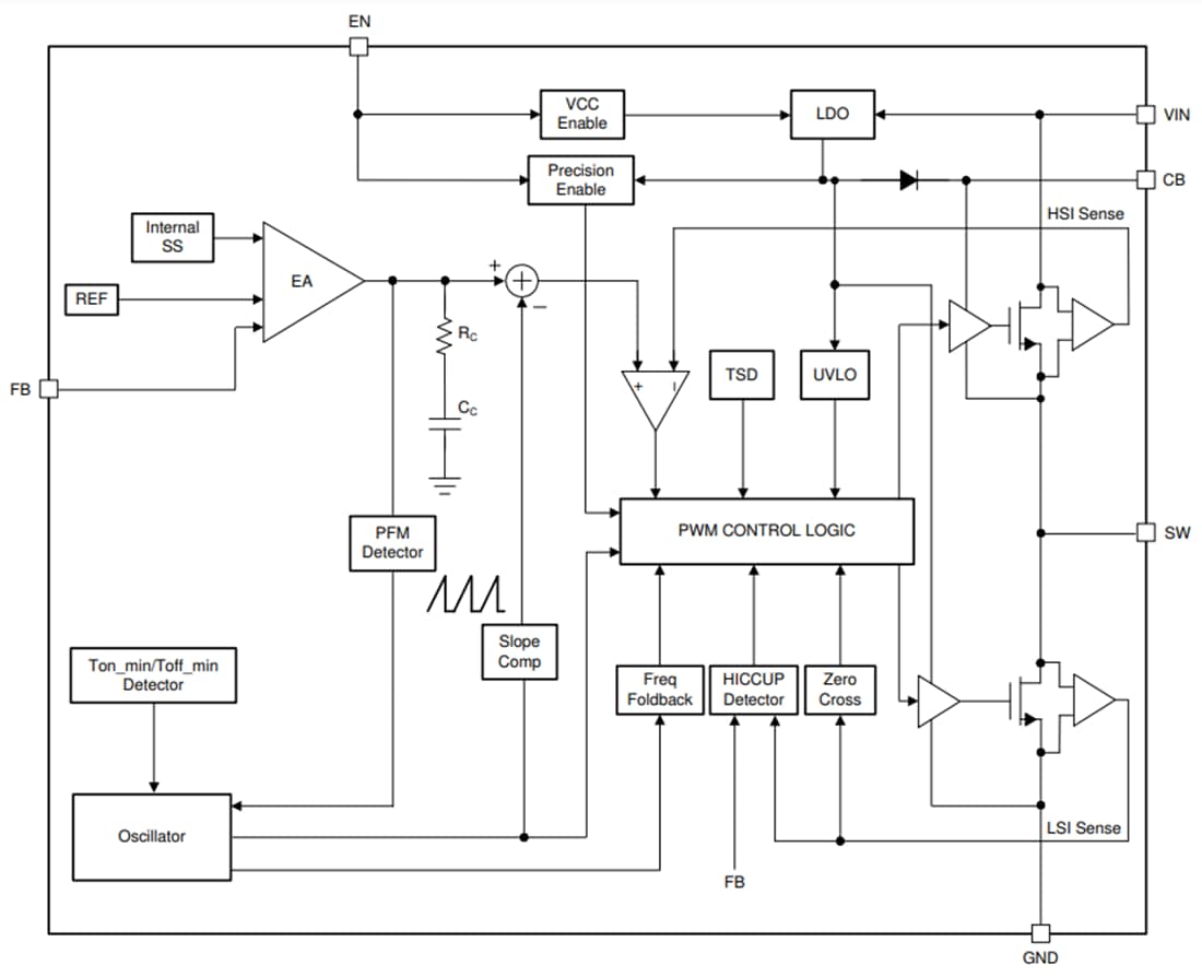
Le dispositif dispose de fonctions de protection intégrées, telles que la protection contre les courts-circuits en mode hoquet, la limitation du courant cycle par cycle et l'arrêt thermique en cas de dissipation de puissance excessive.
Caractéristiques
- Compatible avec la sécurité fonctionnelle
- Documentation disponible pour aider à la conception de systèmes de sécurité fonctionnels
- Configuré pour des applications industrielles robustes
- Plage de tension d'entrée de 4 V à 42 V
- Protection contre les entrées transitoires jusqu'à 50 V
- Courant de sortie continu 0,6 A/1 A
- Temps de commutation minimum de 80 ns
- Fréquence de commutation fixe de 400 kHz et 1,1 MHz
- Plage de température de jonction de -40 °C à 150 °C
- Cycle de service maximal de 98 %
- Démarrage monotone avec sortie pré-polarisée
- Protection contre les courts-circuits avec mode « hoquet »
- Activation de précision
- Référence de tension de tolérance de ±1,5 %
- Format compacte et facilité d'utilisation
- Redressement synchrone intégré
- Compensation interne pour une utilisation facile
- Boîtier SOT-23
- Diverses options dans un boîtier compatible broche-à-broche
- Options PFM et PWM forcé (FPWM)
- Compatible broche à broche avec LMR51610, LMR16006, LV2862, LMR50410, TPS560430 et LMR54410
Applications
- Gros appareils électroménagers
- PLC, DCS et PAC
- Compteurs intelligents
- Alimentation
Schéma fonctionnel
