Texas Instruments Convertisseur abaisseur LMR50410/LMR50410-Q1
Le Convertisseur SIMPLE SWITCHER® abaisseur Texas Instruments LMR50410/LMR50410-Q1 est un convertisseur abaisseur (buck) synchrone à large VIN, facile à utiliser et susceptible d'induire un courant de charge pouvant atteindre 1 A. Avec sa large plage d'entrée de 4 à 36 V, le dispositif est adapté pour une large gamme d'applications de conditionnement de puissance à partir d'une source non régulée. Le LMR50410/LMH50410-Q1 fonctionne à une fréquence de commutation permettant d'utiliser des inductances relativement petites pour optimiser la taille de la solution. La version MIF (PFM) permet d'obtenir un rendement élevé à faible charge et une faible ondulation de la tension de sortie sur toute la plage de charges. Les circuits de démarrage progressif et de compensation sont implémentés en interne, ce qui permet d'utiliser le dispositif avec un minimum de composants externes.Le dispositif présente des fonctionnalités intégrées de protection, telles que la limitation du courant cycle par cycle, la protection contre les courts-circuits en mode hoquet et l'arrêt thermique en cas de dissipation excessive de puissance. Les LMR50410/LMR50410-Q1 de Texas Instruments sont disponibles en boîtier SOT-23-6. Les dispositifs LMR50410-Q1 sont qualifiés AEC-Q100 pour les applications automobiles.
Caractéristiques
- Compatible avec la sécurité fonctionnelle
- Documentation disponible pour aider à la conception de systèmes de sécurité fonctionnels
- Configuré pour les applications robustes
- Plage de tension d'entrée de 4 V à 36 V
- Courant de sortie continu de 1 A
- Temps de mise en marche de 60 ns minimum
- Fréquence de commutation fixe 2,1 MHz
- Plage de température de jonction de –40° C à 150° C
- Cycle de service maximal de 98 %
- Démarrage monotone avec sortie pré-polarisée
- Protection interne contre les courts-circuits avec mode hoquet
- Référence de tension de tolérance ±1 %
- Activation de précision
- Petite taille de solution et facilité d'utilisation
- Redressement synchrone intégré
- Compensation interne pour une utilisation facile
- Boîtier SOT-23-6
- Compatible broche à broche avec TPS560430-Q1
- Diverses options dans un boîtier compatible broche-à-broche
- Options PFM et PWM forcé (FPWM)
- Option de sortie fixe 3,3 V
Applications
- Éclairage et électronique de la carrosserie
- Info-divertissement et mise en grappe
- Système d'aide à la conduite (ADAS)
- Alimentations à large VIN et à usage général
Fiches techniques
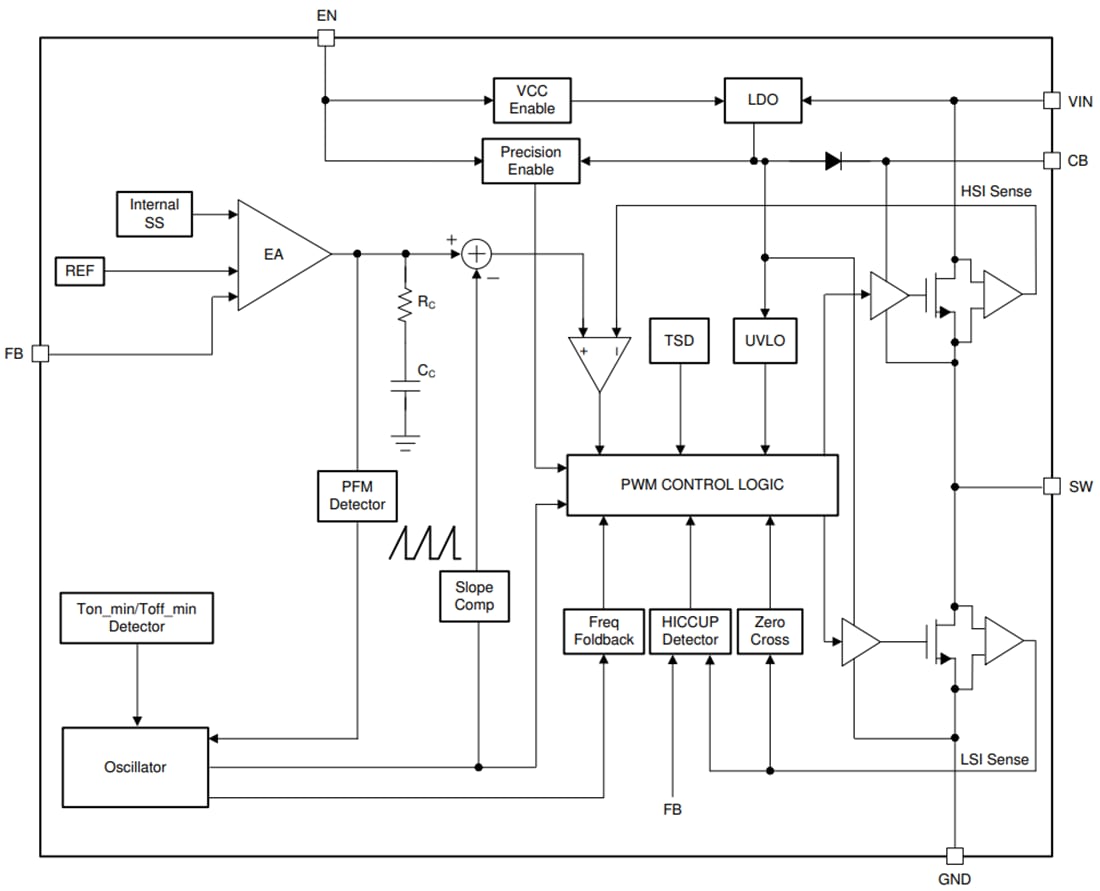
Schéma fonctionnel
Publié le: 2020-09-28
| Mis à jour le: 2024-11-05
