Texas Instruments Régulateur abaisseur LMR140x0 SIMPLE SWITCHER®
Les régulateurs abaisseurs SIMPLE SWITCHER® LMR140x0 de Texas Instruments sont des régulateurs 40 V, à 2 A (LMR14020), 3,5 A (LMR14030) ou 5,0 A (LMR14050), comprenant des MOSFET à côté haut intégrés. Avec une large plage d'entrée de 4 V à 40 V, ils conviennent à diverses applications telles que le conditionnement d'alimentation de sources non régulées. Le courant de repos du régulateur est de 40 µA en mode veille, ce qui rend le dispositif adapté aux systèmes alimentés par batteries. Un courant d'arrêt ultra-faible de 1 µA en mode d'arrêt peut encore prolonger la durée de vie de la batterie. Une vaste plage de fréquences réglables de commutation permet d'optimiser le rendement ou l'encombrement des composants externes. La compensation de boucle interne signifie que l'utilisateur est libéré de la tâche fastidieuse qu'est la conception de la compensation de boucle. Les composants externes de l'appareil sont alors réduits.Caractéristiques
- 4V to 40V input range
- Available with 2A (LMR14020), 3.5A (LMR14030) or 5.0A (LMR14050) continuous output current
- Ultra-low 40µA operating Quiescent current
- 90mΩ high-side MOSFET
- Minimum switch-on time: 75ns
- Current mode control
- Adjustable switching frequency from 200kHz to 2.5MHz
- Frequency synchronization to external clock
- Internal compensation for ease of use
- High duty cycle operation supported
- Precision enable input
- 1µA shutdown current
- External soft-start
- Thermal, overvoltage, and short protection
- 8-Pin HSOIC with PowerPAD™ package
Applications
- Automotive battery regulation
- Industrial power supplies
- Telecom and datacom systems
- Battery powered system
Vidéos
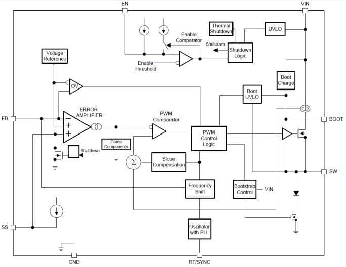
Functional Block Diagram
Additional Resources
Publié le: 2015-03-23
| Mis à jour le: 2022-03-11
