Texas Instruments Amplificateur à transimpédance LMH32404/LMH32404-Q1
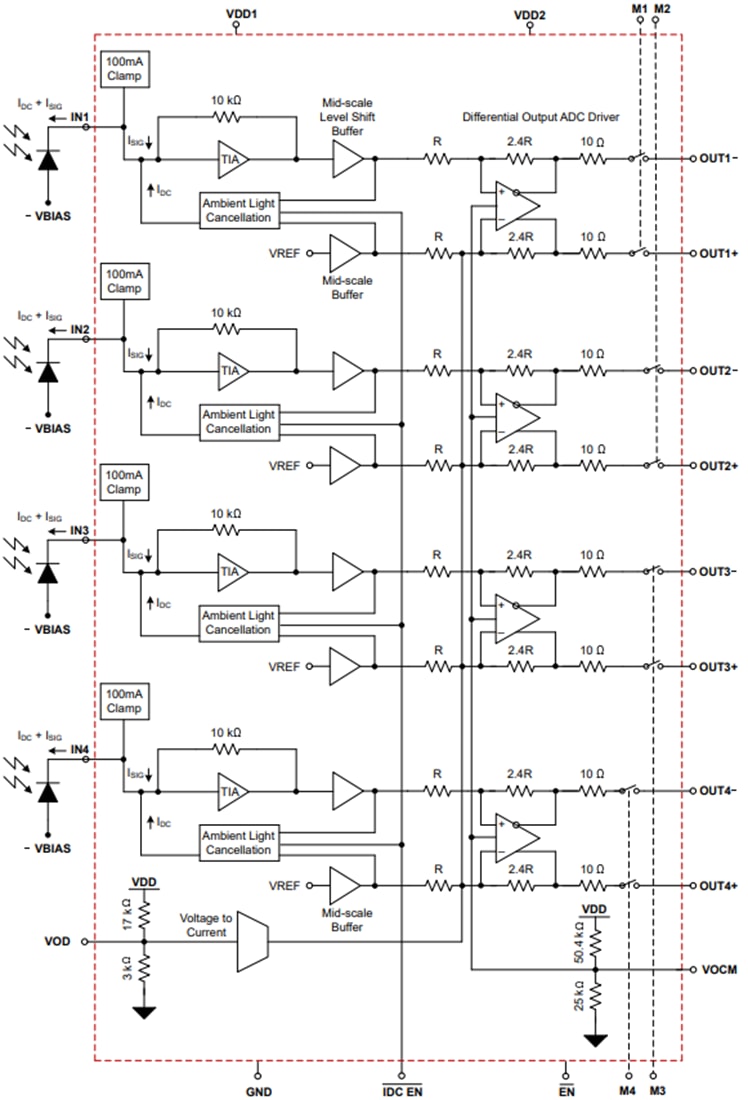
L'amplificateur de transimpédance (TIA) LMH32404/LMH32404-Q1 de Texas Instruments est un TIA quadruple canal à entrée asymétrique vers sortie différentielle pour les applications de détection et de portée de la lumière (LIDAR) et les systèmes de mesure de distance laser. Le LMH32404/LMH32404-Q1 dispose d'une pince intégrée de 100 mA sur chaque canal qui protège l'amplificateur et permet au composant de se relever rapidement d'une condition d'entrée surchargée. Les LMH32404/LMH32404-Q1 disposent également d'un circuit intégré d'oblitération de la lumière ambiante (AGR) sur chaque canal qui peut être utilisé au lieu d'un couplage CA entre la photodiode et l'amplificateur pour économiser de l'espace sur la carte et réduire le coût du système. La boucle de signal devrait être désactivée lorsque la teneur en CC et en basse fréquence est mesurée.Chaque canal LMH32404/LMH32404-Q1 dispose de commutateurs intégrés pour déconnecter l'amplificateur de sortie différentielle des broches de sortie et mettre le canal en mode veille. Lors de la commutation entre différents canaux, le temps de transition n'est que de 10 ns. Les LMH32404/LMH32404-Q1 de Texas Instruments peuvent être placés en mode basse puissance à l'aide de la broche EN pour économiser la consommation lorsque l'amplificateur n'est pas utilisé. Les dispositifs LMH32404-Q1 sont homologués AEC-Q100 pour les applications automobiles.
Caractéristiques
- Gain de 20 kΩ
- Performances, CPD = 1 pF
- Bande passante 350 MHz
- Bruit référencé en entrée 56 nARMS
- Temps de montée, descente de 1,25 ns
- Courant de repos 28 mA/canal
- mode veille 10 mA/canal
- mode basse consommation 2,5 mA (4 canaux)
- Durée de commutation de canal 10 ns
- Annulation de lumière ambiante intégrée
- Serre-câbles de protection 100mA intégré
- Quatre canaux d'entrée et quatre canaux de sortie différentiels
- Multiplexeur intégré permettant une configurabilité flexible entre le capteur optique et le CAN/TDC
- Plusieurs LMH32404 peuvent être combinés en parallèle pour créer un champ de vision (FoV) plus large
- Plage de température : de -40° C à + 125° C
Applications
- LIDAR à balayage mécanique
- LIDAR à balayage à semi-conducteurs
- Indicateur de distance laser
- Scanner de zone de sécurité
Fiches techniques
Schéma fonctionnel
Publié le: 2021-10-11
| Mis à jour le: 2023-01-23
