Texas Instruments FET GaN 650 V 30 mΩ LMG3522R030/LMG3522R030-Q1
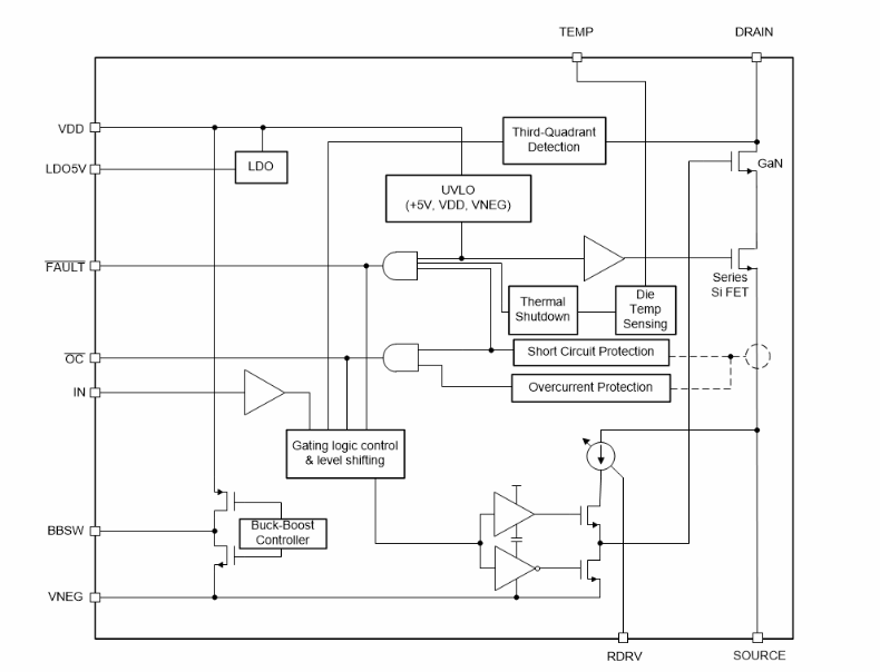
Les FET GaN 650 V 30 mΩ LMG3522R030/LMG3522R030-Q1 de Texas Instruments incluent un pilote intégré et une protection pour les convertisseurs de puissance en mode commutation. Le LMG3522R030/LMG3522R030-Q1 intègre un pilote au silicium qui permet des vitesses de commutation allant jusqu’à 150 V/ns. Le dispositif implémente la polarisation de grille de précision intégrée de TI ce qui donne un SOA de commutation plus élevé que les commandes de grilles discrètes en silicium. Cette intégration, combinée au boîtier à faible inductance de TI, permet une commutation propre et un écho minimal dans les topologies d’alimentation électrique à commutation rapide. Une force de commande de grille réglable permet de contrôler la vitesse de balayage de 20 V/ns à 150 V/ns ce qui peut être utilisé pour contrôler les EMI et optimiser activement les performances de commutation.Les FET GaN 650 V 30 mΩ LMG3522R030/LMG3522R030-Q1 de TI disposent de caractéristiques de gestion de l'alimentation avancées, notamment un signalement numérique de la température et la détection des défauts. Les défaillances signalées incluent la surveillance des surchauffes, des surintensités et des UVLO. Les composants LMG3522R030-Q1 sont qualifiés AEC-Q100 pour les applications automobiles.
Caractéristiques
- FET GaN-on-Si 650 V avec pilote de grille intégré
- Tension de polarisation de grille de haute précision intégrée
- Courant de maintien FET 200 V/ns
- Fréquence de commutation de 2 MHz
- Vitesse de balayage de 20 V/ns à 150 V/ns pour optimiser les performances de commutation et l'atténuation des EMI
- Fonctionne à partir d'une alimentation de 7,5 V à 18 V
- Gestion avancée de l’alimentation
- Sortie PWM de température numérique
- Protection robuste
- Protection contre les surintensités cycle par cycle et les courts-circuits verrouillés avec une réponse <>
- Supporte une surtension de 720 V pendant la commutation fixe
- Auto-protection contre les surchauffes internes et la surveillance UVLO
- Le boîtier VQFN de 12 mm x 12 mm refroidi côté haut sépare les chemins électriques et thermiques pour l'inductance de boucle de puissance la plus faible
Applications
- convertisseurs de puissance en mode commutation
- PSU serveur et réseau de commerçants
- Redresseurs télécoms marchands
- Convertisseurs solaires et entraînements de moteurs industriels
- Alimentations sans interruption
Fiches techniques
Schéma fonctionnel simplifié
Schéma fonctionnel
Publié le: 2022-12-20
| Mis à jour le: 2023-09-07
