Texas Instruments FET GaN 600 V 50 mΩ LMG342xR050
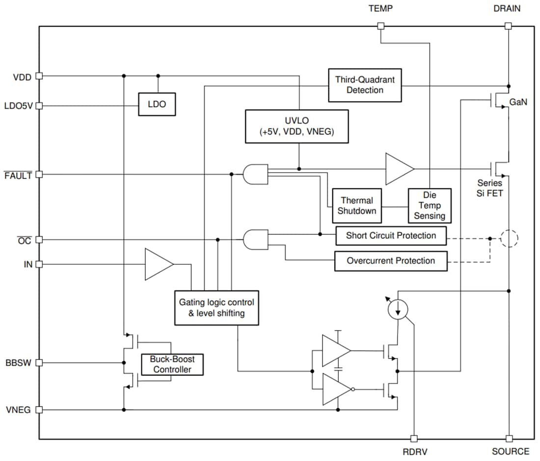
Le FET GaN LMG342xR050 600 V 50 mΩ de Texas Instruments avec pilote et protection intégrés permet aux concepteurs d'atteindre de nouveaux niveaux de densité de puissance et d'efficacité dans les systèmes d'électronique de puissance. Le LMG342xR050 intègre un pilote en silicium qui permet des vitesses de commutation jusqu'à 150V/ns. La polarisation de grille de précision intégrée de TI’permet d'obtenir un SOA de commutation plus élevé par rapport aux pilotes de grille en silicium discrets. Cette intégration, combinée au boîtier à faible inductance de TI’s permet une commutation nette et une sonnerie minimale dans les topologies d'alimentation à commutation dure. Le réglage de la force d'entraînement de la grille permet de contrôler la vitesse de balayage de 20V/ns à 150V/ns, ce qui peut être utilisé pour contrôler activement les interférences électromagnétiques et optimiser les performances de commutation.Le LMG3425R050 de Texas Instruments comprend un mode diode idéale, qui réduit les pertes du troisième quadrant en permettant un contrôle adaptatif du temps mort. Les caractéristiques avancées de gestion de l'alimentation incluent le signalement numérique de la température et la détection des défaillances. La température du FET GaN est rapportée via une sortie PWM au rapport cyclique variable, ce qui simplifie la gestion du chargement du dispositif. Les défaillances signalées incluent la surveillance des surchauffes, des surintensités et des UVLO.
Caractéristiques
- Qualifié pour JEDEC JEP180 pour les topologies de commutation dure
- FET GaN-sur-Si 600 V avec pilote de grille intégré
- Une tension de polarisation de grille de haute précision intégrée
- CMTI 200 V/ns
- Fréquence de commutation de 3,6 MHz
- Vitesse de balayage de 20 V/ns à 150 V/ns pour optimiser les performances de commutation et l'atténuation des EMI
- Fonctionne à partir d'une alimentation de 7,5 V à 18 V
- Gestion avancée de l’alimentation
- Sortie PWM de température numérique
- Le mode diode idéale réduit les pertes du troisième quadrant dans le LMG3425R050
- Protection robuste
- Protection cycle par cycle contre les surintensités et les courts-circuits verrouillés avec réponse <>
- Supporte une surtension de 720 V pendant la commutation fixe
- Auto-protection contre les surchauffes internes et la surveillance UVLO
Applications
- Alimentations industrielles à haute densité
- Convertisseurs solaires et entraînements de moteurs industriels
- Alimentations sans interruption
- PSU serveur et réseau de commerçants
- Redresseurs télécoms marchands
Schéma de principe fonctionnel
Publié le: 2022-06-06
| Mis à jour le: 2024-06-28
