Texas Instruments Transistors à effet de champ (FET) GaN LMG342xR030
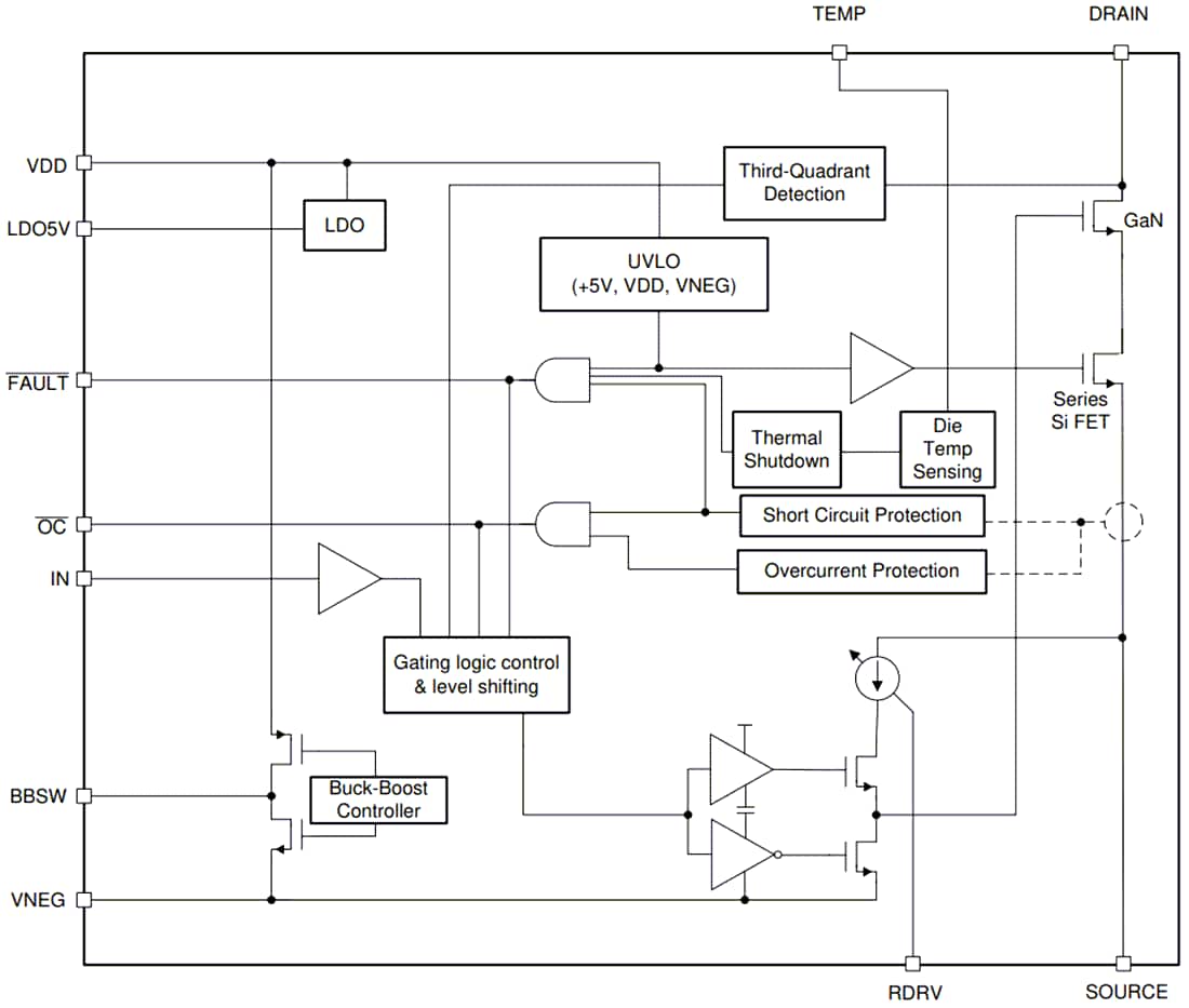
Les transistors à effet de champ (FET) LMG342xR030 GaN de Texas Instruments sont dotés d'un pilote et d'une protection intégrés qui permettent aux concepteurs d'atteindre de nouveaux niveaux de densité de puissance et d'efficacité dans les systèmes électroniques de puissance.Le LMG342xR030 de Texas Instruments intègre un pilote au silicium qui permet des vitesses de commutation pouvant atteindre 150 V/ns. La polarisation de grille de précision intégrée de TI produit un SOA de commutation plus élevé par rapport aux pilotes de grille en silicium discrets. Cette intégration, combinée au boîtier à faible inductance de TI, fournit une commutation propre et une sonnerie minimale dans les topologies d'alimentation à commutation fixe. La puissance de commande de grille réglable permet de contrôler la vitesse de balayage de 20 V/ns à 150 V/ns, contrôlant activement les EMI et optimisant les performances de commutation. Le LMG3425R030 comprend un mode diode idéale, qui réduit les pertes du troisième quadrant en permettant un contrôle adaptatif du temps mort.
Les caractéristiques avancées de gestion de l'alimentation incluent le signalement numérique de la température et la détection des défaillances. La température du FET GaN est rapportée via une sortie PWM au rapport cyclique variable, ce qui simplifie la gestion du chargement du dispositif. Les défaillances signalées incluent la surveillance des surchauffes, des surintensités et des UVLO.
Caractéristiques
- Qualifié pour JEDEC JEP180 pour les topologies de commutation dure
- FET GaN-sur-Si 600 V avec pilote de grille intégré
- Une tension de polarisation de grille de haute précision intégrée
- CMTI 200 V/ns
- Fréquence de commutation 2,2 MHz
- Vitesse de balayage de 30 V/ns à 150 V/ns pour optimiser les performances de commutation et l'atténuation des EMI
- Fonctionne à partir d'une alimentation de 7,5 V à 18 V
- Gestion avancée de l’alimentation
- Sortie PWM de température numérique
- Le mode diode idéale réduit les pertes du troisième quadrant dans le LMG3425R030
- Protection robuste
- Protection cycle par cycle contre les surintensités et les courts-circuits verrouillés avec réponse <>
- Supporte une surtension de 720 V pendant la commutation fixe
- Auto-protection contre les surchauffes internes et la surveillance UVLO
Applications
- Alimentations industrielles à haute densité
- Convertisseurs solaires et entraînements de moteurs industriels
- Alimentations sans interruption
- PSU serveur et réseau de commerçants
- Redresseurs télécoms marchands
Schéma fonctionnel
