Texas Instruments Pont demi-pont FET de puissance GaN LMG2656 650 V
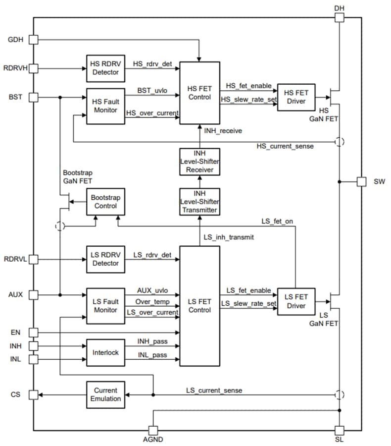
Le demi-pont FET de puissance GaN 650 V LMG2656 de Texas Instruments simplifie la conception, réduit le nombre de composant et réduit l'espace sur la carte en intégrant des FET de puissance demi-pont, des commandes de grilles, un FET bootstrap et un décaleur de niveau de commande de grille haut dans un boîtier QFN de 6 mm par 8 mm. Les vitesses de montée programmables permettent de contrôler les EMI et les oscillations. L'émulation de détection de courant côté bas réduit la dissipation d'énergie par rapport à la résistance de détection de courant traditionnelle et permet de connecter la plaquette thermique côté bas à la terre d'alimentation du PCB.Le FET de puissance GaN côté haut peut être commandé avec soit la broche de commande de grille référencée côté bas (INH), soit la broche de commande de grille référencée côté haut (GDH). Le décaleur de niveau de signal de commande de grille côté haut transmet de manière fiable le signal de la broche INH au pilote de grille côté haut dans des environnements de commutation de puissance difficiles. Le FET de bootstrap GaN à commutation intelligente n'a pas de chute de tension directe de diode, évite de surcharger l'alimentation côté haut et a une charge de récupération inverse nulle.
Le LMG2656 de Texas Instruments prend en charge les exigences d'efficacité des convertisseurs à faible charge et l'exploitation en mode rafale avec des courants de repos faibles et des temps de démarrage rapides. Les caractéristiques de protection comprennent un verrouillage d'allumage FET, un verrouillage de sous-tension (UVLO), une limite du courant cycle par cycle et un arrêt en cas de surchauffe. Le réglage de la vitesse de balayage ultra-faible prend en charge les applications d'entraînement de moteur.
Caractéristiques
- Pont demi-pont FET de puissance GaN 650 V
- FET de puissance GaN côté bas et côté haut de 230 mΩ
- Commandes de grilles intégrées avec des temps de propagation faibles de <100>100>
- Contrôle programmable de la vitesse de balayage à l'activation
- Émulation de détection de courant avec une largeur de bande élevée et une haute précision
- PINS de commande de grille haute référencées côté bas (INH) et côté haut (GDH)
- Verrouillage de la commande de grille côté bas (INL)/côté haut (INH)
- Déphaseur de niveau du signal de commande de grille côté haut (INH)
- Fonction de diode d'amorçage à commutation intelligente
- Démarrage côté haut <>
- Protection contre les surintensités cycle par cycle côté bas/côté haut
- Protection contre la surchauffe
- Courant de repos AUX de 250 µA
- Courant de repos AUX en mode veille de 50 µA
- Courant de repos BST de 70 µA
- Boîtier QFN de 8 mm × 6 mm avec deux plaquettes thermiques
Applications
- Adaptateurs et chargeurs CA/CC
- Alimentations électriques auxiliaires CA/CC
- Conception de chargeurs de cloison mobiles
- Prise de courant USB murale
Schéma fonctionnel
