Texas Instruments Étage de puissance demi-pont GaN LMG2100R026
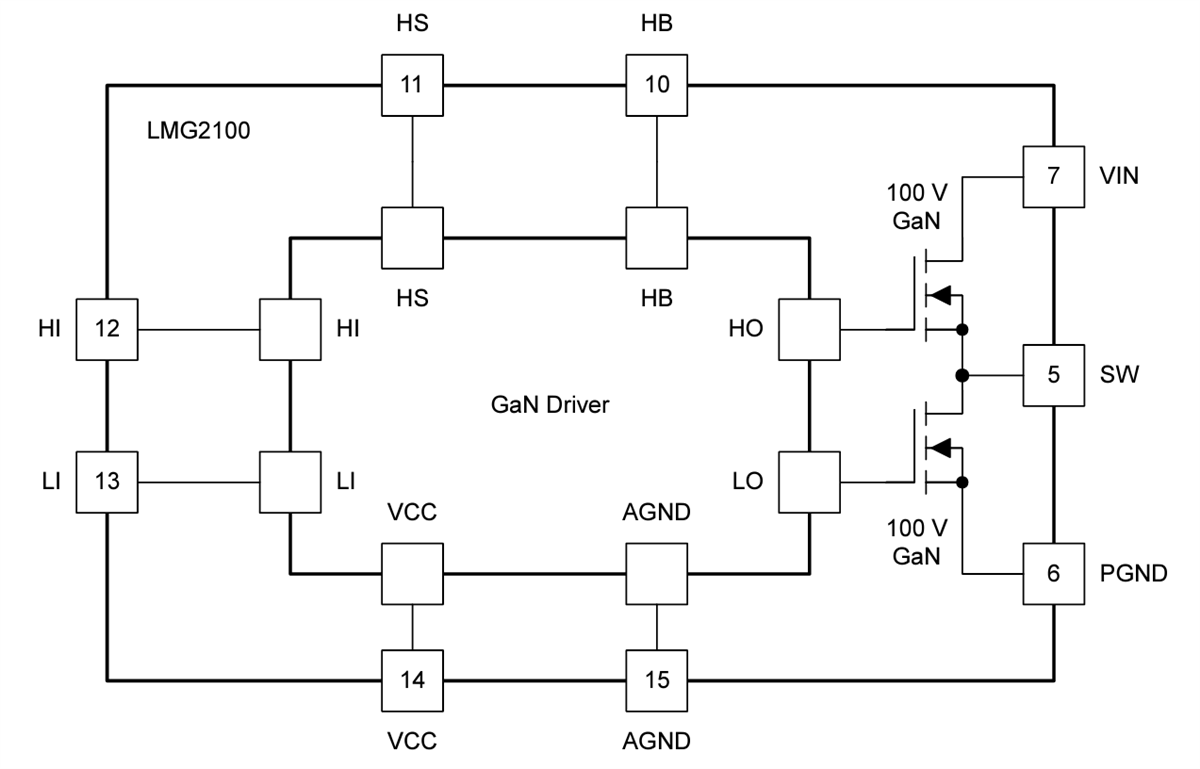
L'étage de puissance demi-pont GaN Texas Instruments LMG2100R026 intègre des pilotes de grille et des FET GaN (nitrure de gallium) en mode amélioré. L'étage de puissance demi-pont de 93 V continu, 100 V pulsé, 53 A comprend deux FET GaN pilotés par un pilote de FET GaN haute fréquence en configuration à demi-pont. Le pilote et les deux FET GaN sont montés sur une plateforme de boîtier entièrement exempte de fils de liaison, avec des éléments parasites du boîtier minimisés.L'étage de puissance TI LMG2100R026 est logé dans un boîtier sans plomb de 7,0 mm x 4,5 mm x 0,89 mm qui peut être facilement monté sur des circuits imprimés. Les entrées compatibles avec la logique TTL peuvent prendre en charge des niveaux logiques de 3,3 V et 5 V, indépendamment de la tension VCC. La technique exclusive de bridage de la tension de bootstrap garantit que les tensions de grille des FET GaN en mode d'amélioration se situent dans une plage de fonctionnement sûre. Le dispositif étend les avantages des FET GaN discrets en permettant une interface plus conviviale. Le dispositif est une solution idéale pour les applications nécessitant une exploitation haute fréquence et haute efficacité dans un petit facteur de forme.
Caractéristiques
- FET GaN demi-pont et pilote intégrés
- Tension nominale 93 V continue, 100 V pulsée
- Boîtier optimisé pour une configuration facile sur le circuit imprimé
- Commutation à haute vitesse de balayage avec sonnerie faible
- Alimentation polarisée externe 5 V
- Prend en charge les niveaux logiques d’entrée 3,3 V et 5 V
- Pilote de grille capable de commutation jusqu’à 10 MHz
- Faible consommation électrique
- Excellent retard de propagation (33 ns standard) et de correspondance (2 ns standard)
- Bridage interne de la tension d'alimentation du bootstrap pour éviter la suralimentation des FET GaN
- Sous-tension du rail d’alimentation pour une protection par verrouillage
- Boîtier QFN supérieur exposé pour le refroidissement côté haut
- Pastille GND large pour le refroidissement côté bas
Applications
- Convertisseurs buck, boost, buck-boost
- Convertisseurs LLC
- Onduleurs solaires
- Alimentation des serveurs et télécoms
- Commandes de moteurs
- Outils électriques
- Amplificateurs audio de classe D
Schéma fonctionnel simplifié
Retard de propagation et désadaptation
