Texas Instruments LM95234 Quad Remote & Local Temperature Sensor

Texas Instruments LM95234 ±2°C Quad Remote and Local Temperature Sensor offers a System Management Bus (SMBus) interface that can very accurately monitor the temperature of four remote diodes as well as its temperature, which includes a patent-pending remote diode TruTherm BJT beta compensation technology. The LM95234's TruTherm BJT beta compensation technology allows sensing of 90nm or 65nm process thermal diodes accurately.

The LM95234 Sensor reports the temperature in two different formats for the +127.875°C/–128°C range and 0°C/255°C range. The LM95234 TCRIT1, TCRIT2, and TCRIT3 outputs are set off when any unmasked channel exceeds its corresponding programmable limit and can be used to shut down the system, to turn on the system fans or as a microcontroller interrupt function. The status registers read the current status of the TCRIT1, TCRIT2, and TCRIT3 pins with a mask register available for further control of the TCRIT outputs.

Each Texas Instruments LM95234 channel includes registers for the sub-micron process or 2N3904 diode model selection and offset correction, providing optimum flexibility and accuracy. The three-level address pin supports the connection of up to three LM95234s to the same SMBus master. Power saving functions, including programmable conversion rate, shutdown mode, and disabling of unused channels, are available on the LM95234.

Features

  • Local temperature accuracy of ±2.0°C (max)
  • Remote diode temperature accuracy of ±0.875°C (max)
  • Supply voltage of 3.0V to 3.6V
  • Average supply current (1Hz conversion rate)
  • Accurately senses die temperature of four remote ICs or diode junctions and local temperature
  • TruTherm BJT Beta compensation technology accurately senses sub-micron process thermal diodes
  • Programmable digital filters and an analog front-end filter
  • 0.125°C LSb temperature resolution
  • 0.03125°C LSb remote temperature resolution with digital filter enabled
  • +127.875°C/–128°C and 0°C/255°C remote ranges
  • Remote diode fault detection, model selection, and offset correction
  • Mask and status register support
  • Three programmable TCRIT outputs with programmable shared hysteresis and fault-queue
  • Programmable conversion rate and shutdown mode one-shot conversion control
  • SMBus 2.0 compatible interface, supports TIMEOUT
  • Three-level address pin
  • 14-pin WSON package

Applications

  • Processor/computer system thermal management (e.g., laptop, desktop, workstations, server)
  • Electronic test equipment
  • Office electronics

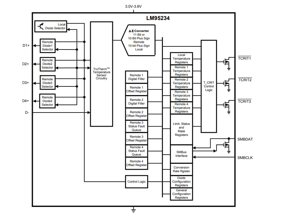
Block Diagram

Block Diagram - Texas Instruments LM95234 Quad Remote & Local Temperature Sensor

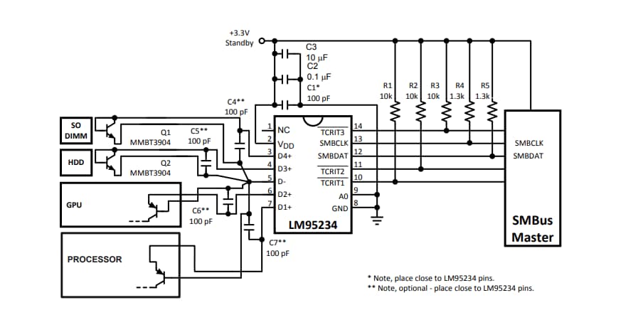
Typical Application

Application Circuit Diagram - Texas Instruments LM95234 Quad Remote & Local Temperature Sensor
Publié le: 2019-05-28 | Mis à jour le: 2023-10-31