Texas Instruments Convertisseurs Buck LM706x0/LM706x0-Q1
Les convertisseurs Buck LM706x0/LM706x0-Q1 de Texas Instruments disposent d'une plage de tension d'entrée de 4,5 V à 65 V et jusqu'à 10 A de courant de sortie à des tensions de sortie fixes de 3,3 V, 5 V, 12 V ou à une sortie réglable. Les convertisseurs Buck synchrones LM706x0/LM706x0-Q1 à faible IQ et à large VIN utilisent une architecture de contrôle du mode courant de crête pour une compensation de boucle facile, une réponse transitoire rapide et une régulation de charge et de ligne supérieure. Une paire de convertisseurs LM706A0-Q1 peut être configurée en mode entrelacé (sorties en parallèle) avec un partage de courant précis pour les applications nécessitant jusqu'à 20 A de courant de sortie. Le LM706A0-Q1 offre une fonction unique d'étalement de spectre double aléatoire (DRSS) qui incorpore des modulations triangulaires à basse fréquence et des modulations aléatoires cycle par cycle à haute fréquence pour améliorer la performance EMI dans une large gamme de bandes de fréquences.Le convertisseur LM706x0-Q1 de TI est conçu dans un boîtier QFN à 29 broches de 6 mm × 6 mm, optimisé thermiquement. Les trois pastilles de fixation de matrice (VIN, SW et PGND) améliorent les performances thermiques et la fiabilité au niveau de la carte (BLR). Les dispositifs LM706x0-Q1 sont qualifiés AEC-Q100 pour les applications automobiles.
Caractéristiques
- Qualifié AEC-Q100 pour les applications automobiles avec température de dispositif de classe 1, température ambiante de fonctionnement de -40 °C à +125 °C
- Documentation compatible avec la sécurité fonctionnelle disponible pour aider à la conception de systèmes de sécurité fonctionnels
- Convertisseur CC/CC synchrone avec un contrôleur Buck polyvalent et des MOSFET de puissance robustes
- Large plage de tension d'entrée de 4,5 V à 65 V
- Courant en mode arrêt de 2,3 µA
- IQ à vide de 10,4 µA régulant 24 V en 5 V
- Sorties fixes de 3,3 V, 5 V, 12 V avec précision de 1 % ou sorties réglables de 0,8 V à 36 V
- Fonctionnement biphasé permettant des courants de sortie inférieurs ou égaux à 16 A
- Conçu pour les exigences de faible EMI
- Facilite la conformité à la norme CISPR 25 classe 5
- L'étalement bispectral aléatoire ±8 %, sélectionnable par broche réduit les pics d'émission.
- Fréquence de commutation de 200 kHz à 2,2 MHz
- Fonctionnement AUTO ou FPWM configurable par broche
- Caractéristiques de protection inhérentes pour une conception robuste
- Protection interne contre les surintensités en mode hoquet
- Activation, Power Good et arrêt thermique
- Compensation de boucle interne ou externe
- Boîtier QFN-29 de 6 mm x 6 mm optimisé thermiquement, conforme à la directive RoHS, avec placage sans plomb
- Créez un design personnalisé à l'aide du LM706A0-Q1 avec WEBENCH® Power Designer
Applications
- Systèmes électroniques automobiles
- Système d'aide à la conduite (ADAS)
- Infodivertissement et groupe
Ressources supplémentaires
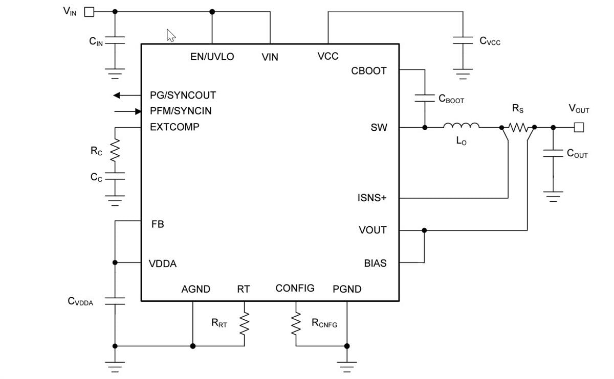
Circuit d'application standard
Publié le: 2024-10-30
| Mis à jour le: 2025-05-09
