Texas Instruments Convertisseurs Buck LM704A0-Q1
Les convertisseurs Buck LM704A0-Q1 de Texas Instruments sont développés pour une plage de tension d'entrée de 4,5 V à 45 V et fournissent jusqu'à 10 A de courant de sortie à des tensions de sortie fixes de 3,3 V, 5 V, 12 V ou à une sortie réglable. Le convertisseur Buck synchrone LM704A0-Q1 à faible IQ et large VIN utilise une architecture de contrôle du mode de courant de crête pour une compensation de boucle facile, une réponse transitoire rapide et une régulation de charge et de ligne exceptionnelle. Une paire de convertisseurs LM704A0-Q1 peut être configurée en mode entrelacé (sorties en parallèle) avec un partage de courant précis pour les applications nécessitant jusqu'à 20 A de courant de sortie.Le LM704A0-Q1 de TI offre une fonction unique d'étalement de spectre double aléatoire (DRSS) qui incorpore des modulations triangulaires à basse fréquence et des modulations aléatoires cycle par cycle à haute fréquence pour une performance EMI améliorée sur une large gamme de bandes de fréquences.
Les dispositifs LM704A0-Q1 sont qualifiés AEC-Q100 pour les applications automobiles.
Caractéristiques
- Qualifié AEC-Q100 pour les applications automobiles avec température de dispositif de classe 1, température ambiante de fonctionnement de -40 °C à +125 °C
- Documentation compatible avec la sécurité fonctionnelle disponible pour aider à la conception de systèmes de sécurité fonctionnels
- Convertisseur CC/CC synchrone avec un contrôleur Buck polyvalent et des MOSFET de puissance robustes
- Large plage de tension d'entrée de 4,5 V à 45 V
- Courant en mode arrêt de 2,3 µA
- De 12 V à 5 V avec régulation IQ à vide de 15,5 µA
- Sorties fixes de 3,3 V, 5 V, 12 V avec précision de 1 % ou sorties réglables de 0,8 V à 36 V
- Fonctionnement biphasé permettant des courants de sortie inférieurs ou égaux à 16 A
- Conçu pour les exigences de faible EMI
- Facilite la conformité à la norme CISPR 25 classe 5
- L'étalement bispectral aléatoire ±8 %, sélectionnable par broche réduit les pics d'émission.
- Fréquence de commutation de 200 kHz à 2,2 MHz
- Fonctionnement AUTO ou FPWM configurable par broche
- Caractéristiques de protection inhérentes pour une conception robuste
- Protection interne contre les surintensités en mode hoquet
- Activation, Power Good et arrêt thermique
- Compensation de boucle interne ou externe
- Boîtier QFN-29 de 6 mm x 6 mm optimisé thermiquement, conforme à la directive RoHS, avec placage sans plomb
- Créent un design personnalisé à l’aide du LM704A0-Q1 avec WEBENCH® Power Designer
Applications
- Systèmes électroniques automobiles
- Systèmes d'aide à la conduite (ADAS)
- Infodivertissement et groupe
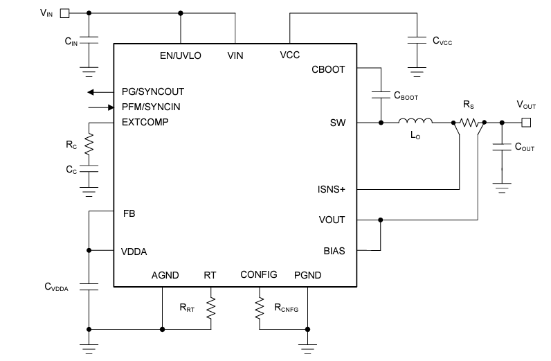
Circuit d'application standard
Ressources supplémentaires
Publié le: 2024-10-29
| Mis à jour le: 2025-05-09
