Texas Instruments Convertisseurs buck synchrone LM656x5/LM656x5-Q1
Les convertisseurs buck synchrone LM656x5/LM656x5-Q1 de Texas Instruments sont conçus pour une haute efficacité, une densité de puissance élevée et un brouillage électromagnétique (EMI) extrêmement faible. Les convertisseurs fonctionnent sur une large plage de tension d'entrée de 3 V à 65 V (70 V transitoire <100 ms),="" réduisant="" le="" besoin="" d'une="" protection="" contre="" les="" surtensions="" d'entrée="" externe.="" le="" lm656x5/lm656x5-q1="" dispose="" de="" tensions="" de="" sortie="" fixes="" sélectionnables="" par="" broche="" de="" 3,3="" v="" et="" 5="" v,="" ou="" dans="" une="" configuration="" réglable.="" l'exploitation="" à="" faible="" emi="" est="" rendu="" possible="" grâce="" à="" une="" inductance="" de="" boucle="" minimisée="" et="" à="" une="" vitesse="" de="" balayage="" optimisée="" du="" nœud="" de="" commutation.="" un="" spectre="" étalé="" double="" aléatoire="" (drss)="" sélectionnable="" par="" broche="" de="" ±5="" %="" ou="" ±10="" %="" réduit="" considérablement="" les="" émissions="" de="" pointe="" grâce="" à="" une="" modulation="" triangulaire="" et="" pseudo-aléatoire="" tout="" en="" maintenant="" une="" ondulation="" de="" tension="" de="" sortie="" très="" faible.="" l'architecture="" de="" contrôle="" en="" mode="" courant="" avec="" un="" temps="" de="" fonctionnement="" minimum="" standard="" de="" 30="" ns="" permet="" des="" rapports="" de="" conversion="" élevés="" à="" des="" fréquences="" élevées,="" associés="" à="" une="" réponse="" transitoire="" rapide="" et="" à="" une="" excellente="" régulation="" de="" ligne="" et="" de="" charge.="" les="" dispositifs="" lm656x5-q1="" de="" texas="" instruments="" sont="" qualifiés="" aec-q100="" pour="" les="" applications="" automobiles.="">100>Caractéristiques
- Large plage de tension d'entrée de 3 V à 65 V (70 V transitoire <100 ms)="" et="" répond="" aux="" exigences="">100>
- Conçu pour répondre aux exigences de faible EMI
- Facilite la conformité à la norme CISPR 11 classe B
- Mode configurable par broche à double spectre étalé aléatoire de ±5 % ou ±10 % réduisant les émissions de pointe
- Boîtier QFN HotRod™ amélioré avec brochage symétrique
- Fréquence de commutation de 300 kHz à 2,2 MHz
- Exploitation AUTO configurable par broche ou FPWM
- Compensation interne, limite du courant et TSD
- Le temps d'activation minimum faible de 40 ns (max.) permet une conversion de 36 VENTRÉE à 3,3 VSORTIE à 2,2 MHz
- Conversion d'énergie à haute efficacité pour toutes les charges
- Efficacité maximale > 94 % à 24 VENTRÉE, 5 VSORTIE, 400 kHz
- Courant d'entrée de commutation de 2,5 µA sans charge
- Densité de haute puissance
- Boîtier de 3,6 mm × 2,6 mm, flanc mouillable, 20 broches
- Broche compatible avec le LM654x0-Q1 36 V 4/6/8A
- ϴJA = 24,0 °C/W (LM65645EVM)
Applications
- Systèmes de transport industriels
- Systèmes d'automatisation d'usine et de contrôle
- Systèmes d'imagerie médicale
- Systèmes avancés d'aide à la conduite (ADAS) (LM656x5-Q1)
- Infodivertissement et tableau de bord automobiles (LM656x5-Q1)
- Systèmes Hybrides, électriques et de groupe motopropulseur (LM656x5-Q1)
Fiches techniques
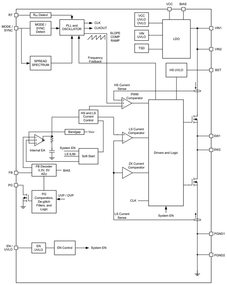
Schéma fonctionnel
Publié le: 2025-08-27
| Mis à jour le: 2025-09-09
