Texas Instruments Convertisseurs CC-CC synchrones abaisseurs (buck) LM65680/60/40
Les Convertisseurs CC-CC abaisseurs (buck) synchrones LM65680/60/40 de Texas Instruments font partie d'une famille de dispositifs à technologie ZEN 1 de commutation, conçue pour une faible EMI, une haute densité de puissance et un excellent rendement de conversion. Les MOSFET intégrés de puissance à faible RDS(on) permettent un courant de sortie pouvant atteindre 8 A (LM65680 à 8 A, LM65660 à 6 A et LM65640 à 4 A), sur une large plage de tensions d'entrée de 3,5 à 65 V.Empilable en phase avec entrelacement synchronisé, l'architecture de commande de mode de courant de crête du LM65680/60/40 prend en charge un partage précis de courant sur des phases parallèles pour des courants supérieurs de sortie. Le mode AUTO permet le repli fréquentiel pendant un fonctionnement en charge légère, pour atteindre un rendement élevé en charge légère et un courant d'entrée defonctionnement à vide de seulement 2,2 µA, ce qui prolonge la durée opérationnelle dans des systèmes alimentés par piles ou batteries. Un temps minimal de conduction de commutateur de haute tension de 36 ns facilite les grands rapports de réduction et permet une conversion directe des entrées de 24 ou 48 V vers des rails de basse tension, ce qui réduit le coût et la complexité de système. Le boîtier comporte plusieurs broches NC entre les broches de puissance critique, ce qui améliore le résultat des Modes de défaillance et d'Analyse d'effets (FMEA).
Le LM65680/60/40 de Texas Instruments est logé dans un boîtier eQFN thermiquement amélioré de 4,5 mm × 4,5 mm et à 26 broches, avec une distance supplémentaire d'isolement entre les broches pour une meilleure fiabilité. On utilise également des broches à flanc mouillable pour faciliter l'inspection optique pendant la fabrication. En tirant parti d'une technique d'encapsulation par cadre de conduite routable à puce retournée (FCRLF), le LM65680/60/40, fort de son courant utilisable, de sa fiabilité de durée de vie et de ses avantages de coûts, cible des applications nécessitant une haute densité de puissance. La large plage de tension d'entrée, le faible courant de repos, le fonctionnement à haute température, la limite de courant cycle par cycle, la faible signature d'EMI et la petite empreinte de conception font de celui-ci un régulateur idéal de point de charge pour des applications nécessitant robustesse et durabilité améliorées.
Caractéristiques
- Capable de sécurité fonctionnelle, à documentation disponible pour faciliter la conception de système IEC 61508-2
- Famille polyvalente de convertisseurs abaisseurs (buck) synchrones
- Large plage de tension d'entrée, de 3,5 à 65 V
- Options de courant de sortie de 4, 6 ou 8 A
- Tension de sortie réglable de 0,8 à 60 V, ou options de sortie fixe de 3,3 ou 5 V
- Température de jonction maximale de 150 °C
- tON(min) de 36 ns pour une bonne conversion d'abaissement
- Technologie ZEN 1 de commutation
- Facilite la conformité à la classe B de la norme CISPR 11 ou 32
- Boîtier QFN (eQFN) HotRod™ amélioré, avec conception symétrique de brochage et LLOOP minimal
- Spectre étalé (DRSS) et contrôle de vitesse de balayage de commutation réduisent les émissions de pointe
- Fréquence de commutation de 300 kHz à 2,2 MHz
- Fonctionnement AUTO, FPWM ou SYNC
- Haut rendement sur toute la plage du courant de charge
- 95 % à 48 VIN, 12 VOUT, 8 A, 400 kHz
- Empilement multiphasé pour un courant supérieur de sortie
- Sous-régulateur de VCC à double entrée, avec option de polarisation
- Courant de repos sous VIN de 1,8 µA seulement
- Fiabilité améliorée avec conception optimisée de brochage et distance d'isolement pour test de court-circuit vers broche adjacente, avec distance d'isolement entre broches, de VIN à PGND, de 1,1 mm
Applications
- Automatisation industrielle, test et mesure
- Systèmes d'imagerie médicale, infrastructures énergétiques
- Systèmes d'entreprise, infrastructure sans fil
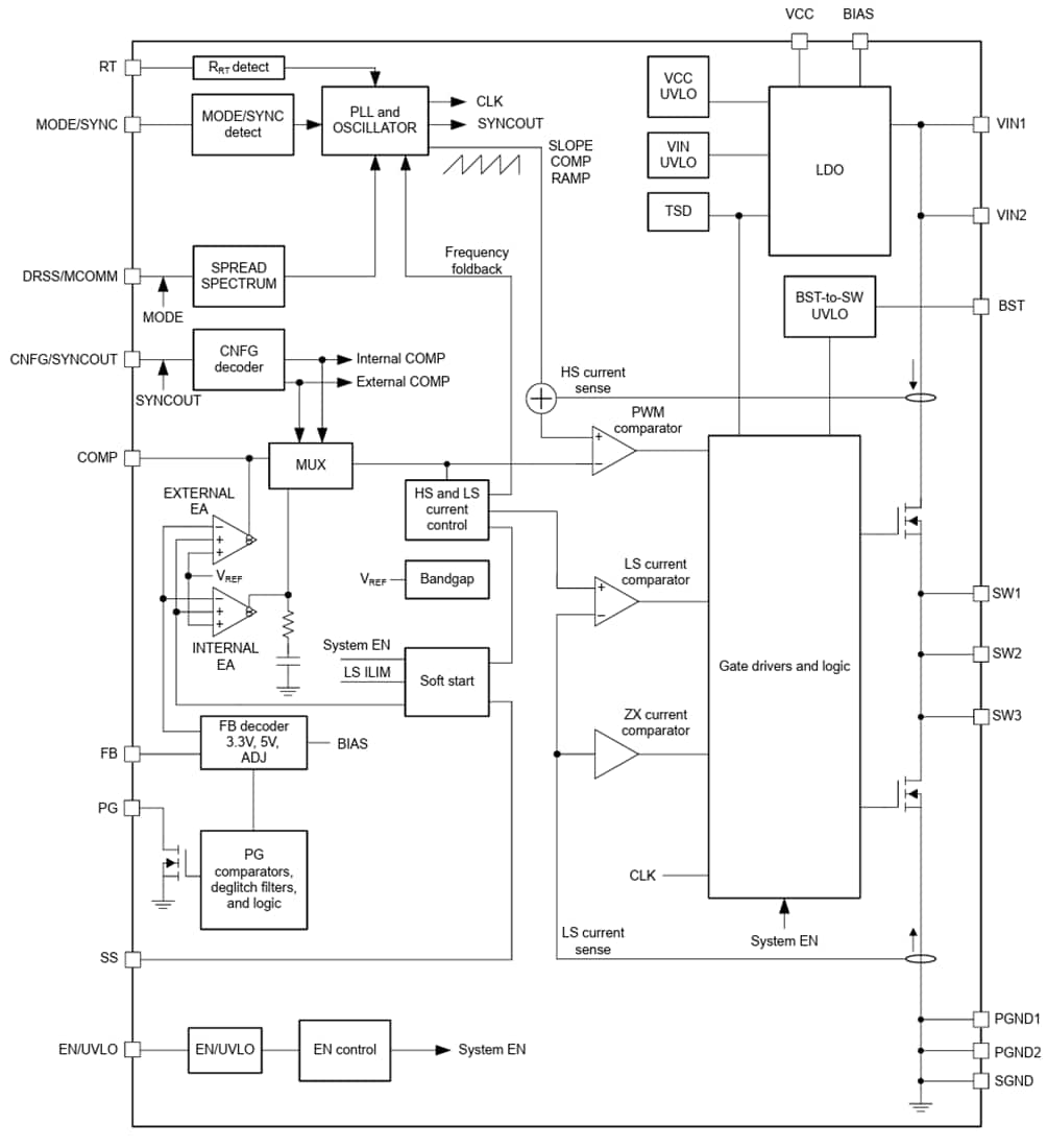
Schéma fonctionnel
