Texas Instruments Convertisseur Buck automobile LM644A2-Q1
Le convertisseur Buck automobile CC/CC 36 V LM644A2-Q1 de Texas Instruments est un convertisseur CC/CC synchrone 36 V avec empilabilité multiphase dans un boîtier amélioré thermiquement pour un refroidissement des deux côtés. Ce convertisseur utilise une architecture de contrôle en mode courant empilable et intercalée pour une compensation de boucle facile, une réponse transitoire rapide et une excellente régulation de ligne et de charge. Le partage de courant précis avec une horloge de sortie prend en charge 6 phases pour les courants jusqu'à 36 A. Le convertisseur LM644A2-Q1 comporte une plage de tension d'entrée de 3 V à 36 V, une plage de fréquence de commutation de 100 kHz à 2,2 MHz, et répond aux exigences CISPR 25 classe 5 EMI. Ce convertisseur fournit un courant de mode d'arrêt standard de 0,5µA et un courant de veille sans charge standard de 9µA avec compensation intégrée et 3 ms démarrage progressif. Les dispositifs LM644A2-Q1 sont qualifiés AEC-Q100 pour les applications automobiles. Les applications typiques incluent cockpit automobile et affichage automobile, système d'aide à la conduite (ADAS) et calcul central, électronique de carrosserie et éclairage et doubles convertisseurs buck à usage général.Ce convertisseur LM644A2-Q1 intègre une réduction du bruit à la fréquence de commutation fondamentale grâce à l'entrelacement, une DRSS activée par broche et un brochage de borne d'entrée VIN symétrique pour une faible inductance d'entrée. Ce convertisseur comprend un démarrage progressif fixe interne ou démarrage progressif réglable, des entrées d'activation indépendantes, un régulateur d'alimentation VCC polarisation intégrée, une protection contre les surcharges en mode hoquet et une protection contre la coupure thermique. Ce convertisseur LM644A2-Q1 est disponible dans un boîtier amélioré HotRod QFN à 24 broches de 5 mm x 4 mm avec une borne d'angle agrandie pour un meilleur BLR et des flancs mouillables.
Caractéristiques
- HomologuéS AEC-Q100 pour les applications automobiles :
- Température de fonctionnement ambiante de -40 °C à +125 °C (classe de température du dispositif 1)
- Exploitation jusqu'à une température de jonction de 150 °C
- Le boîtier amélioré thermiquement dispose de plots thermiques exposés sur le dessus et le dessous et permet un refroidissement des deux côtés
- Conçus pour les faibles EMI :
- Broches de tension d'entrée symétriques avec distance d'isolement à >1 mm de la terre
- Option de spectre étalé sélectionnable par broche
- Fonctionnement FPWM ou mode automatique sélectionnable par broche
- Boîtier HotRod™ QFN amélioré (25) avec flancs mouillables
- Plage de fréquence de commutation de 100 kHz à 2,2 MHz
- Respect des exigences EMI de la classe 5 de la norme CISPR 25
- Fonctionnalités de sortie simple et double :
- Large plage de tension d'entrée de 3 V à 36 V
- Sorties fixes précises de 3,3 V, 5 V ou réglables de 0,8 V à 20 V avec une précision de 1 %
- Protection contre les surintensités en mode hoquet et protection contre l'arrêt thermique avec hystérésis
- Fonctions de précision ENABLE et PGOOD
- 50 ns tON (min.) pour un rapport VIN/V OUT élevé
- 80 ns tOFF(min.) pour une faible perte de niveau
- Compatible avec la sécurité fonctionnelle :
- Documentation disponible pour aider à la conception de systèmes de sécurité fonctionnels
- Exploitation polyvalente à double sortie :
- 0,5 µA courant de mode d'arrêt standard
- 9 µA courant de veille de fonctionnement à vide standard
- Compensation intégrée et démarrage progressif de 3 ms
- Précision indépendante ENABLE et PGOOD
- Exploitation à sortie unique adaptable :
- Efficacité 95 % pour une charge de 8 A, sortie unique, VIN = 12V, VOUT = 5 V
- Compensation externe et démarrage progressif réglable
- Fonctions PGOOD, SYNCIN et SYNCOUT
Applications
- Cockpit et affichage automobile
- Système d'aide à la conduite (ADAS) et calcul central
- Éclairage et électronique de la carrosserie
- Convertisseurs Buck double à usage général
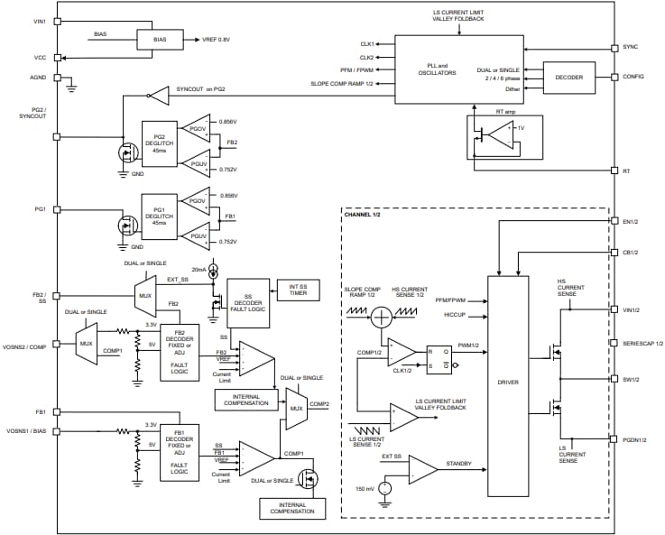
Schéma fonctionnel
Ressources supplémentaires
Publié le: 2025-01-23
| Mis à jour le: 2025-05-06
