Texas Instruments Convertisseur Buck synchrone LM61440/LM61440-Q1
Le convertisseur Buck synchrone à faible bruit LM61440/LM61440-Q1 de Texas Instruments est un convertisseur Buck synchrone CC-CC à hautes performances. Avec des MOSFET côté haut et côté bas intégrés, jusqu'à 3 A de courant de sortie est fourni sur une large plage d'entrée de 3,0 V à 36 V, tolérant 42 V, ce qui facilite la conception de protection contre les surtensions d'entrée. Le LM61440/LM61440-Q1 met en œuvre une récupération progressive à partir d'une chute, éliminant ainsi le dépassement sur la sortie. Le LM61440/LM61440-Q1 est spécifiquement conçu pour minimiser les EMI. Le composant intègre un temps de montée de nœud SW réglable, un boîtier VQFN-HR à faibles EMI avec une faible sonnerie de nœud de commutation et un brochage optimisé pour une utilisation facile. La fréquence de commutation peut être réglée ou synchronisée entre 200 kHz et 2,2 MHz pour éviter les bandes de fréquence sensibles au bruit. De même, la fréquence peut être sélectionnée pour améliorer l'efficacité à un niveau de fréquence de fontionnement faible ou pour réduire la taille de la solution à un niveau de fréquence de fontionnement élevé.Le mode automatique permet un repli de fréquence en fonctionnement à faible charge, permettant une consommation de courant déchargée de seulement 7 µA (standard) et un haut rendement à faible charge. Une transition transparente entre les modes PWM et PFM, ainsi qu'avec des résistances MOSFET très faibles à l'état passant et une entrée de polarisation externe, garantit un rendement exceptionnel sur l'ensemble de la plage de charge. Il est spécifié pour une plage de température de jonction allant de –40 °C à +150 °C. Les dispositifs LM61440-Q1 de Texas Instruments sont qualifiés AEC-Q100 pour les applications automobiles.
Caractéristiques
- Optimisé pour les exigences EMI ultra-faibles
- Le boîtier Hotrod™ minimise la sonnerie du nœud de commutation
- Le chemin d'entrée parallèle minimise l'inductance parasite
- Temps de montée du nœud SW réglable
- Conversion de puissance à haut rendement à toutes les charges
- Courant à vide de 7 µA à 13,5 VIN, 3,3 VOUT
- Efficacité PFM de 83 % à 1 mA, 13,5 VIN, 5 VOUT
- Faible résistance à l'état passant du MOSFET
- RDS_ON_HS = 41 mΩ (standard)
- RDS_ON_LS = 21 mΩ (standard)
- Option de polarisation externe pour une efficacité améliorée
- Conçu pour des applications fiables et robustes
- Prend en charge les transitoires 42 V
- Précision de régulation de sortie totale de ±1 %
- VOUT réglable de 1 V à 95 % de VIN
- Perte de niveau de 0,3 V avec une charge de 3 A (standard)
- Convient aux alimentations électriques évolutives
- Broche compatible avec
- LM61440-Q1 (36 V, 4 A, fSW réglable)
- LM61460 (36 V, 6 A, fSW réglable)
- Broche compatible avec
Applications
- USB-C
- Carte UCT/CPU robot industriel
- Ordinateur industriel monocarte PC
- Instrumentation de test et de mesure
Fiches techniques
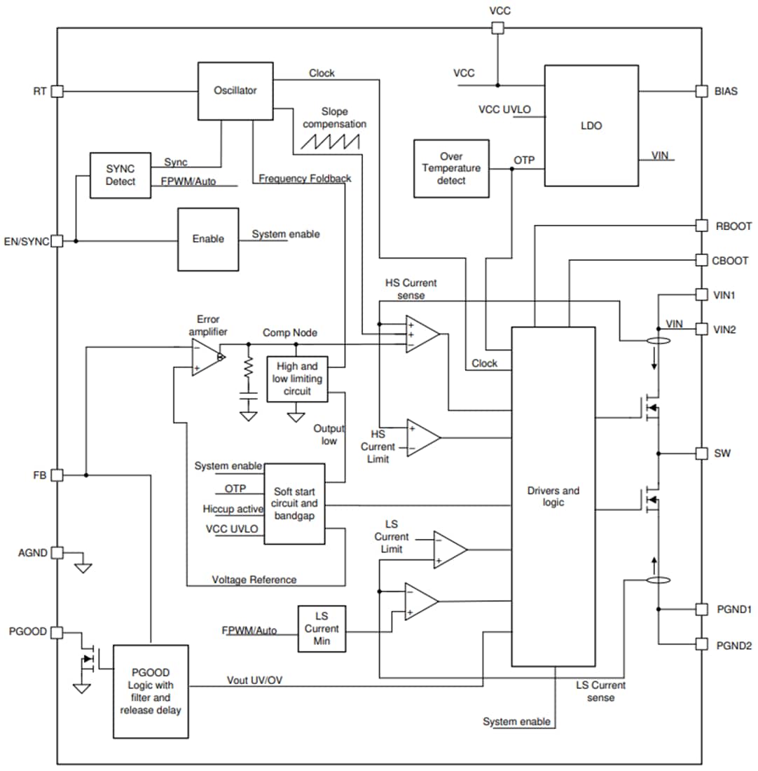
Schéma fonctionnel
Publié le: 2020-06-04
| Mis à jour le: 2024-06-24
