Texas Instruments Contrôleur Buck-Boost à quatre commutateurs LM51772
Le contrôleur Buck-Boost à quatre commutateurs LM51772 de Texas Instruments fournit une tension de sortie régulée si la tension d'entrée est supérieure, égale ou inférieure à la tension de sortie ajustée. En mode économie d'énergie, le dispositif prend en charge une très haute efficacité sur toute la plage de fonctionnement de la sortie. Le LM51772 fonctionne à une fréquence de commutation fixe, qui peut être réglée via la broche RT/SYNC. En MLI forcée, la fréquence de commutation reste constante pendant le fonctionnement Buck, Boost et Buck-Boost. La broche de compensation externe permet une réponse transitoire très rapide pour différentes applications. Le dispositif maintient une faible ondulation de transition de mode dans l'ensemble des modes de fonctionnement. La tension de sortie et les configurations de dispositif peuvent être programmées dynamiquement via l'interface I2C intégrée. Le capteur de courant côté haut intégré et optionnel offre une limitation précise du courant de sortie ou d'entrée. La limite moyenne de courant du LM51772 de Texas Instruments est également configurable via l'interface I2C.Caractéristiques
- Plage d'entrée de 0 V (V(BIAS) ≥ 3,5 V) à 55 V
- Tension de sortie de 1 V à 55 V
- Programmation Vo dynamique via I2C, de
- 3,3 V à 48 V par incréments monotones de 20 mV
- 1 V à 24 V par incréments monotones de 10 mV
- Contrôle de la régulation du courant de crête
- Faible ondulation de transition de la tension dans l'ensemble des modes de fonctionnement
- Suivi dynamique de la tension de sortie (entrée de suivi MLI numérique, entrée de suivi analogique)
- Via programmation d'interface I2C
- Courant de repos à l'arrêt de 3 µA
- Courant de repos en fonctionnement de 60 µA
- Broche DRV pour contrôle du FET externe
- Sélection du mode de fonctionnement pour une haute efficacité dans des conditions de charge légère et de charge élevée
- Mode économie d'énergie (burst/µSleep)
- Mode de conduction automatique/programmable
- LDO d'alimentation haute tension intégré
- LDO/référence haute tension auxiliaire
- Commande de grille à pont complet intégrée
- Capacité de courant de crête de 2 A
- Protection contre les surtensions et les sous-tensions
- Diode d'amorçage intégrée
- Fréquence fixe indépendante du mode de fonctionnement (Boost, Buck-Boost, Buck)
- Mode MLI forcée sélectionnable
- Fréquence de commutation de 100 kHz à 2,2 MHz
- Synchronisation de l'horloge externe et sortie horloge
- Fonctionnement à spectre étalé sélectionnable
- Capteur de courant moyen d'entrée ou de sortie
- Programmable de 0,5 A (5 mV) à 7 A (70 mV) par incréments de 50 mA (500 µV)
- Broche ISET sélectionnable
- Lecture des caractéristiques de surveillance via l'interface I2C
Applications
- Alimentation USB Type-C™ (station d'accueil, écran d'ordinateur, ordinateur de bureau)
- Chargement sans fil
- Ordinateur industriel/ordinateur robuste
- Batterie de secours
- CC/CC marchand
- Avionique/sonar marin
- Véhicule hors route
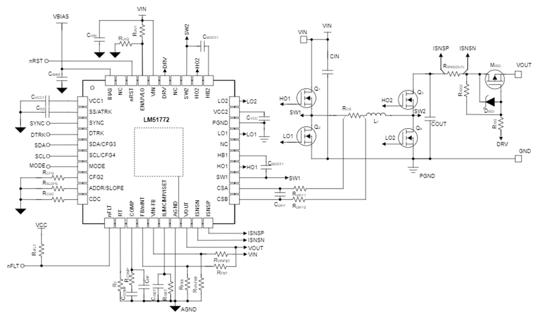
Schéma d'application standard
Publié le: 2024-08-16
| Mis à jour le: 2024-08-26
