Texas Instruments Contrôleur CC/CC Buck LM5148/LM5148-Q1
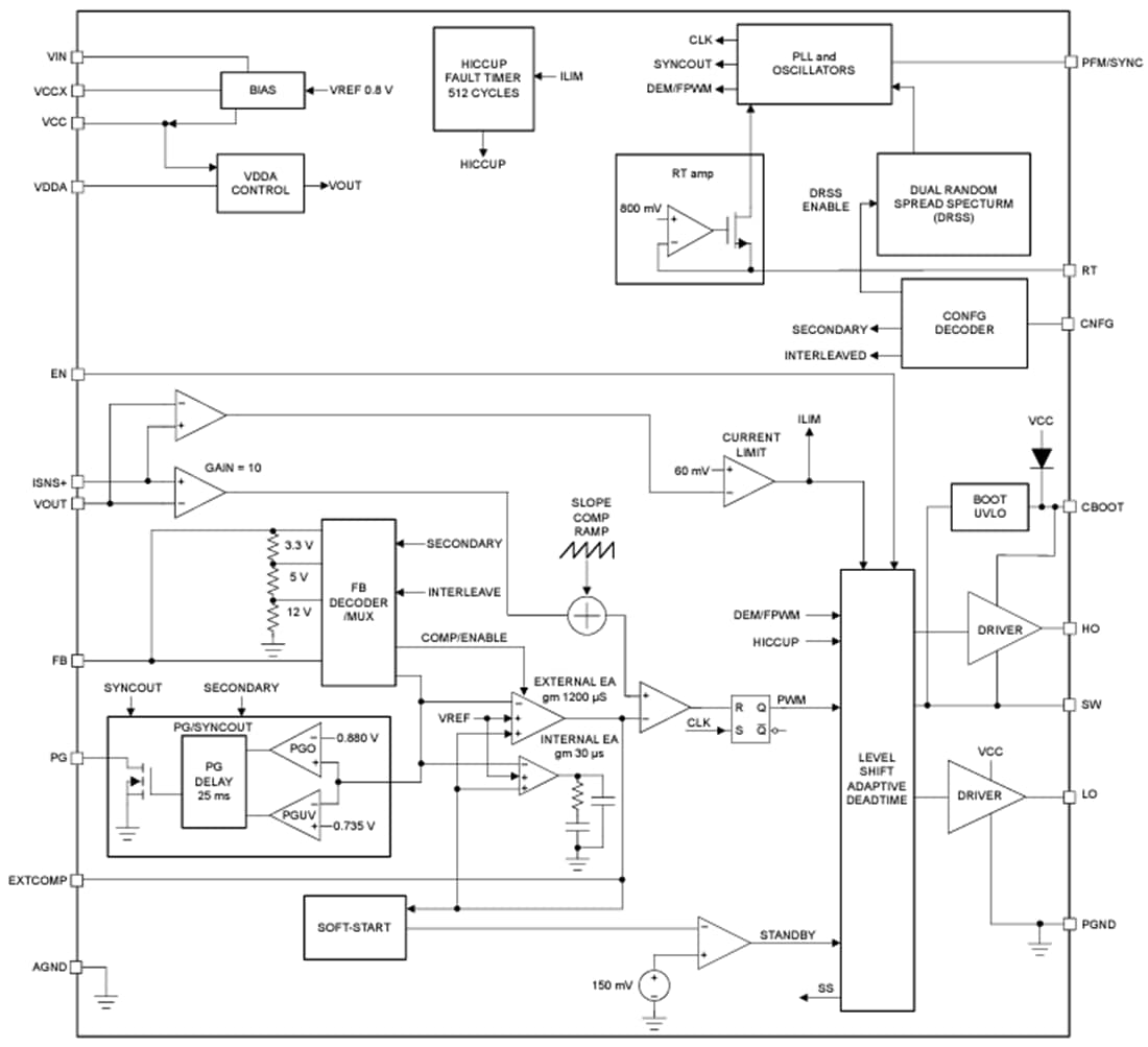
Le contrôleur CC/CC Buck synchrone LM5148/LM5148-Q1 de Texas Instruments est un contrôleur à IQ ultra-faible de 80 V pour les applications à sortie simple et courant élevé. Le contrôleur utilise une architecture de contrôle du mode courant de crête pour une compensation de boucle facile, une réponse transitoire rapide et une excellente régulation de charge et de ligne. Le LM5148 peut être configuré en mode phase idéale (sortie parallèle) avec un partage de courant précis pour les applications à courant élevé. Il peut fonctionner à des tensions d'entrée pouvant descendre à 3,5 V, à un cycle de service de près de 100 % si nécessaire.Les caractéristiques supplémentaires du LM5148/LM5148-Q1 comprennent un fonctionnement à température de jonction maximale de 150 °C, émulation de diode sélectionnable par l'utilisateur pour une consommation de courant plus faible à faible charge, indicateur de bonne alimentation à drain ouvert pour le signalement des défauts et la surveillance de sortie, entrée d'activation de précision, démarrage monotone dans une charge pré-polarisée, régulateur d'alimentation de polarisation VCC intégré, durée de démarrage progressif interne de 3 ms, protection contre coupure thermique et avec récupération automatique. Le contrôleur LM5148/LM5148-Q1 est fourni en boîtier VQFN à 24 broches endurci thermiquement de 3,5 mm × 5,5 mm. Les dispositifs LM5148-Q1 de Texas Instruments sont qualifiés AEC-Q100 pour les applications automobiles.
Caractéristiques
- Compatible avec la sécurité fonctionnelle
- Documentation disponible pour aider à la conception de systèmes de sécurité fonctionnels
- Contrôleur CC-CC Buck synchrone polyvalent
- Large plage de tension d'entrée de 3,5 V à 80 V
- Sortie précise 1 %, fixe 3,3 V, 5 V, 12 V ou réglable de 0,8 V à 55 V
- Température de jonction maximale 150 °C
- Détection de courant DCR ou shunt sans perte
- Courant en mode d'arrêt 2,3 µA
- Courant de veille à vide de 9,5 µA
- Une rampe de démarrage progressif interne de 3 ms
- Empilable jusqu'à deux phases
- Diode d'amorçage interne
- Atténuation EMI intégrée
- Fonction de spectre étalé aléatoire double (DRSS) sélectionnable pour des performances EMI améliorées sur les bandes basse et haute fréquence
- Optimisé pour les exigences CISPR 32 classe B
- Fréquence de commutation de 100 kHz à 2,2 MHz
- Fonctionnalité SYNC in et SYNC out
- Modes PFM ou FPWM sélectionnables
- Caractéristiques de protection intrinsèques pour une conception robuste
- Protection interne contre les surintensités en mode hoquet
- Fonctions d'activation et PGOOD
- Protection UVLO VCC, VDDA et pilote de grille
- Compensation de boucle interne ou externe
- Protection d'arrêt thermique avec hystérésis
Applications
- Immotique
- Transport industriel
- Alimentation
- Test et mesure
- Aérospatiale et défense
Fiches techniques
Schéma fonctionnel
