Texas Instruments LM5146/LM5146-Q1 100V Synchronous Buck Controllers
Texas Instruments LM5146/LM5146-Q1 100V Synchronous Buck Controllers regulate from a high input voltage source or an input rail subject to high voltage transients. This feature minimizes the need for external surge suppression components. A high-side switch minimum on-time of 40ns gives large step-down ratios, enabling the direct step-down conversion from a 48V nominal input to low-voltage rails for reduced system complexity and solution cost. The Texas Instruments LM5146/LM5146-Q1 continues to operate during input voltage dips as low as 5.5V, at nearly 100% duty cycle if needed. This feature makes it an excellent choice for high-performance 48V battery automotive applications, ADAS (surround view ECU), and HEV/EV systems.Features
- Versatile synchronous buck DC/DC controller
- Wide input voltage range of 5.5V to 100V
- An adjustable output voltage from 0.8V to 60V
- Voltage-mode control with line feedforward
- Meets CISPR 25 EMI standard
- Lossless RDS(on) or shunt current sensing
- Switching frequency from 100kHz to 1MHz
- SYNC In and SYNC out capability
- 40ns minimum on-time for a high VIN / VOUT ratio
- 140ns minimum off-time for low dropout
- 0.8V reference with ±1% feedback accuracy
- 7.5V gate drivers for standard VTH MOSFETs
- 14ns adaptive dead-time control
- 2.3A source and 3.5A sink capability
- Low-side soft start for a pre-biased start-up
- Adjustable soft-start or optional voltage tracking
- Precision enable input and open-drain Power-Good indicator for sequencing and control
- Inherent protection features for robust design
- Hiccup-mode overcurrent protection
- Input UVLO with hysteresis
- VCC and gate-drive UVLO protection
- Thermal shutdown protection with hysteresis
- 20-pin VQFN package with wettable flanks
Applications
- High-power automotive DC/DC regulator
- Automotive motor drives, ADAS
- HEV/EV power compliant with LV-148
Datasheets
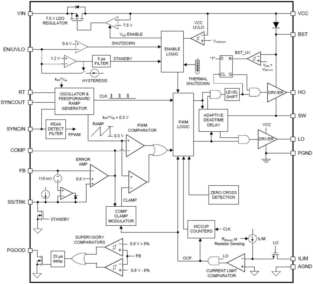
Functional Block Diagram
Publié le: 2019-03-06
| Mis à jour le: 2023-07-27
