Texas Instruments Contrôleur Buck-Boost triple LM5127-Q1
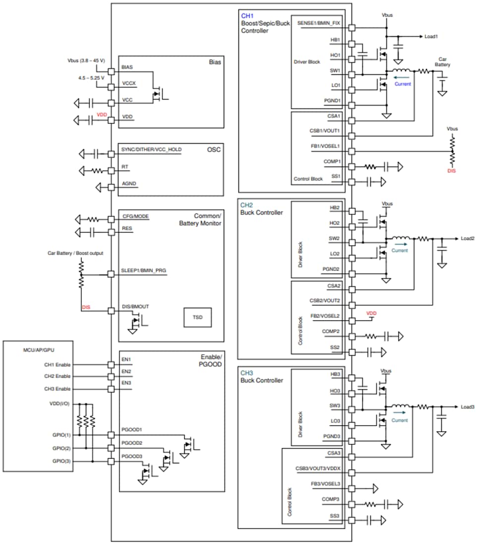
Le contrôleur Buck-Boost triple LM5127-Q1 de Texas Instruments est un contrôleur CC/CC complet à trois canaux et large plage d'entrée qui prend en charge une topologie flexible (Boost/Buck) avec un contrôle du mode de courant de crête. Le dispositif est conçu comme une solution à puce unique intégrée pour l'alimentation de l'étage frontal dans l'info-divertissement automobile, le cluster, le contrôle de la carrosserie ainsi que les systèmes ADAS. La plage de tension d'entrée couvre les scénarios de démarrage à froid automobile et de perte de charge. La fréquence de commutation est programmée de manière dynamique dans la plage de 100 kHz à 2,2 MHz, avec une résistance externe. La commutation à 2,2 MHz minimise les interférences de bande AM et permet une solution de petite taille et une réponse transitoire rapide.Le LM5127-Q1 de Texas Instruments dispose d'un IQ d'arrêt faible et d'un mode veille IQ ultra-faible, ce qui minimise la vidange de la batterie à vide/faible charge et élimine le besoin d'un régulateur LDO à faible IQ supplémentaire comme alimentation CAN alimenter en veille. Le dispositif comprend des canaux de topologie flexibles qui prennent en charge boost ou SEPIC et deux bucks monophasés indépendants ou un buck biphasé pour servir d'alimentation de processeur automobile à courant élevé. En mode boost, le dispositif prend en charge le fonctionnement de dérivation, ce qui élimine le besoin d'un commutateur de dérivation externe. En mode buck, le dispositif prend en charge un fonctionnement à faible chute pour minimiser la tension de chute. Le moniteur de batterie détecte la tension et les signaux de batterie faibles lorsqu'un processus de secours doit démarrer.
Une dissipation de puissance minimale est réalisée, avec un seuil limite de courant faible et l'utilisation d'une alimentation VCC externe. Le dispositif dispose de caractéristiques de protection intégrées telles que la limite de courant de crête, qui est constante sur VIN, une protection de surcharge en mode hoquet en option, une protection contre les surtensions et un arrêt thermique. La synchronisation d'horloge externe, la fréquence de commutation à spectre étalé programmable, ainsi qu'un boîtier sans fil avec un minimum de parasites aident à réduire les EMI et à éviter la diaphonie. Les caractéristiques supplémentaires comprennent un FPWM, une détection DCR, un démarrage progressif programmable, une référence de précision et des indicateurs de bonne alimentation.
Caractéristiques
- Certifié AEC-Q100 pour les applications automobiles
- –40°C à +125 C, TA classe de température 1
- Compatible avec la sécurité fonctionnelle
- Documentation disponible pour aider à la conception de systèmes de sécurité fonctionnels
- Adapté à diverses architectures et évolutif
- Contrôleurs synchrones à triple sortie
- Topologie flexible
- CH1 : topologie boost/buck
- CH2, CH3 : Topologie buck monophasée/biphasée intercalée
- Indicateur d'activation de broche et PGOOD par canal
- Moniteur de batterie IQ faible optionnel
- Une large plage de fonctionnement pour les applications automobiles
- Plage de fonctionnement en entrée de 3,8 V à 42 V
- Entrée boost minimale de 0,8 V en polarisation ≥ 3,8 V
- Sortie Boost : réglable jusqu'à 42 V
- Sortie Buck : 3,3 V fixe, 5 V ou adj. de 0,8 V à 42 V
- Fonctionnement de dérivation lorsque VALIMENTATION > VCHARGE (boost)
- Fonctionnement LDO quand VALIMENTATION ≈ VCHARGE (buck)
- Trop plein de batterie minimisé
- Courant d'arrêt ≤ 2,8 µA
- Transition automatique en mode veille à faible IQ
- Autonomie de la batterie en veille
- IQ ≤ 14 µA quand le buck 3,3 V est activé
- IQ ≤ 22 µA quand les bucks 3,3 V et 5 V sont activés
- IQ ≤ 32 µA quand les 3,3 V ; 5 V sont activés et le boost en dérivation
- Haut rendement grâce à des pilotes 5 V robustes
- Régulateurs VCC et VDD à double entrée
- Solution de petite taille et économique
- Fréquence de commutation maximale de 2,2 MHz
- Diode de démarrage interne (boost)
- Limite de courant de crête constant
- Prend en charge la détection de courant par inducteur DCR
- QFN-48 avec flancs mouillables
- Évitez les interférences sur la bande AM et la diaphonie
- Synchronisation d'horloge optionnelle
- Fréquence de commutation de 100 kHz à 2,2 MHz
- Mode de commutation sélectionnable (FPWM, émulation de diode et mode saut)
- Atténuation EMIi
- Spectre étalé programmable en option
- Programmabilité et flexibilité
- Seuil de sortie de veille et veille programmable
- Programmation de fréquence de commutation dynamique
- Temps de démarrage progressif réglable
- Sortie ajustable en utilisant une référence de 0,8 V ±1 %
- Contrôle de temps mort adaptatif
- Caractéristiques de protection intégrées
- Protection contre les surintensités
- Limite de courant de crête cycle par cycle
- Protection optionnelle en mode hoquet (buck)
- Protection optionnelle en mode verrouillage (buck)
- Protection contre les surtensions
- Protection contre les courts-circuits HB-SW (boost)
- Arrêt thermique
- Protection contre les surintensités
Applications
- Info-divertissement automobile/cluster
- Éclairage/électronique de la carrosserie automobile
- ADAS automobiles
Schéma de principe fonctionnel
