Texas Instruments Contrôleur échangeable à chaud avancé LM5066Hx
Le Contrôleur perfectionné et remplaçable à chaud LM5066Hx de Texas Instruments offre une protection robuste et une surveillance précise pour des systèmes de 12, 24 ou 48 V, avec une protection programmable contre les UV, les OV, ILIM et les courts-circuits rapides, pour des applications personnalisées d'alimentation d'entrée. Le seuil de limite de puissance programmable, ainsi que le minuteur d'anomalie réglable (tFAULT), limitent la dissipable admissible de puissance et assurent la protection contre la SOA de FET dans toutes les conditions, notamment au démarrage et lors d'événements de type anomalies. Le masquage de surintensité à deux niveaux avec minuteurs numériques autorise le passage des transitoires de charge plus élevés, ce qui permet des paramètres de limite du courant inférieurs et réduit les exigences des MOSFET SOA forts.Une interface PmBus® intégrée permet la surveillance, la commande et la configuration à distance et en temps réel du système. Les paramètres clés peuvent être consultés à distance pour la télémétrie, et différents seuils peuvent être configurés via PmBus ou stockés dans l'EEPROM interne. Le moniteur de courant de charge analogique rapide et précis prend en charge la maintenance prédictive et la gestion de l'alimentation dynamique, comprenant une fonctionnalité Intel PSYS et PROCHOT pour optimiser les performances des serveurs. Une caractéristique d'enregistrement des défauts en boîte noire facilite le débogage des pannes sur le terrain.
Le LM5066H2 de Texas Instruments présente une architecture à double commande de grille, qui permet l'utilisation d'un seul FET robuste de SOA pour gérer les contraintes de puissance au démarrage et dans des conditions d'anomalie, combiné à plusieurs petits FET à faible RDS(ON), pour un fonctionnement électrique à charge normale, ce qui réduit la taille totale de solution. Les dispositifs sont caractérisés pour une exploitation sur une plage de température de jonction de –40°C à +125 °C.
Caractéristiques
- Plage de tension d'exploitation d'entrée de 5,5 V à 90 V
- Tension maximale absolue nominale de 100 V
- Résiste à des tensions négatives jusqu'à -5 V en sortie
- Seuils réglables d'ILIM, de 10 à 50 mV
- Protection FET SOA programmable
- Suppression programmable des surintensités avec minuteur numérique
- Forte activation de grille (1,5 A) pour une coupure rapide
- Protection robuste contre les courts-circuits
- Réponse rapide au trajet (270 ns)
- Immunisé pour fournir les transitoires de ligne
- LM5066H2 avec des fonctionnalités supplémentaires
- Commande à double grille pour applications haute puissance
- Broche SYNC pour une exploitation de contrôleur parallèle
- Déconnexion du condensateur à démarrage progressif
- Détection de défaillance FET
- Seuils programmables d'UV, d'OV et de tFAULT
- Détection de la température par FET externe
- Détection de défaillance FET
- Interface PmBus pour la télémétrie, le contrôle, la configuration et le débogage
- Mémoire EEPROM non volatile intégrée pour la configuration
- Surveillance de précision de VIN, de VOUT, d'IIN, de PIN, de VAUX pour V (≤±1 %) ; I (≤±1 %) ; et P (≤±1,75 %)
- Cycle de puissance avec une seule commande
- Enregistrement en boîte noire des défauts de plusieurs événements avec un horodatage relatif stocké dans l'EEPROM interne
- CAN de 12 bits avec 250 kHz en fréquence d'échantillonnage
- Prend en charge la surveillance de la consommation d'énergie via la commande Read_EIN
- Détection de la température par FET externe
Applications
- Serveur et informatique à hautes performances
- Cartes d'interface réseau
- Cartes d'accélérateur matériel et graphiques
- Commutateurs et routeurs de centres de données
- Échange à chaud et branchement à chaud en entrée
- Gestion de l'alimentation PLC
- Systèmes industriels 24 V à 48 V
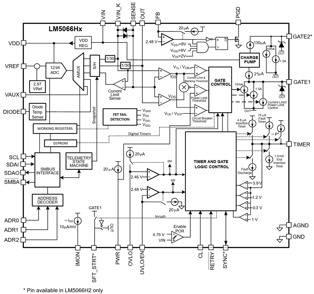
Schéma fonctionnel
