Texas Instruments Isolateurs numériques quadricanal ISOW774x/ISOW774x-Q1
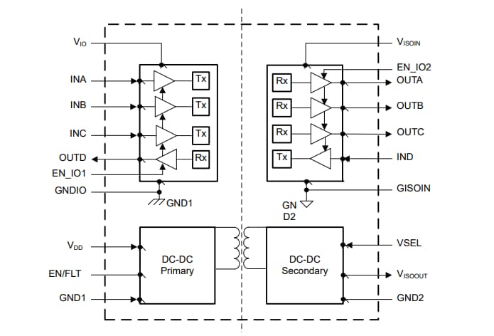
Les isolateurs numériques quadricanal ISOW774x/ISOW774x-Q1 de Texas Instruments disposent d'un isolement galvanique avec un convertisseur de puissance intégré à haut rendement produisant de faibles émissions. Le convertisseur CC-CC intégré prend en charge jusqu'à 550 mW de puissance isolée, ce qui élimine la nécessité d'une alimentation isolée séparée dans les conceptions isolées à espace restreint. Les isolateurs numériques quadricanal ISOW774x/ISOW774x-Q1 de TI disposent d'une haute immunité électromagnétique tout en isolant les E/S numériques CMOS ou LVCMOS. Les isolateurs permettent d'empêcher que les courants de bruit du bus de données, tels que UART, SPI, RS-485, RS-232, CAN, ou d'autres circuits, n'entrent dans la terre locale et n'interfèrent avec des circuits sensibles ou ne les endommagent. L'ISOW774x/ISOW774x-Q1 est logé dans un boîtier DFM SOIC à 20 broches (SOIC-WB) et permet l'exploitation dans une large plage de température ambiante allant de –40 °C à +125 °C.Caractéristiques
- Qualifié pour les applications en automobile
- Certifiés AEC-Q100 avec les résultats suivants :
- Température de dispositif de classe 1 : -40 °C à +125 °C pour la plage de température ambiante
- Convertisseur CC-CC intégré avec faible émission, faible bruit
- Émission optimisée pour répondre aux normes CISPR 32 et EN 55 032 classe B avec une marge >5 dB sur une carte à 2 couches
- Convertisseur de puissance basse fréquence à 25 MHz permettant des performances à faible bruit
- Faible ondulation de sortie 24 mV
- Puissance de sortie à haut rendement
- Rendement de 46 % à charge maximale
- Puissance de sortie jusqu'à 0,55 W
- Précision VISOOUT de 5 %
- De 5 V à 5 V : courant de charge maximal disponible = 110 mA
- De 5 V à 3,3 V : courant de charge maximal disponible = 140 mA
- De 3,3 V à 3,3 V : courant de charge maximal disponible = 60 mA
- Alimentation électrique indépendante pour l'isolateur de canaux et le convertisseur de puissance
- Alimentation logique (VIO) de 1,71 V à 5,5 V
- Alimentation du convertisseur de puissance (VDD) de 3 V à 5,5 V
- Débit de données de 100 Mbit/s
- Solide compatibilité électromagnétique (CEM)
- Immunité aux ESD, EFT et aux surtensions au niveau du système
- Protection de décharge par contact ±8 kV CEI 61000-4-2 à travers la barrière d'isolation
- Options d'isolation de base et renforcées
- CMTI élevé 100 kV/µs (standard)
- Certifications liées à la sécurité (prévues) :
- Isolation de base renforcée VDE selon DIN VDE V 0884-11:2017-01
- Programme de reconnaissance des composants UL 1577
- Certifications CEI 62368-1, CEI 61010-1, CEI 60601-1 et GB 4943.1-2011
- Plage de température étendue de –40 °C à +125 °C
- Boîtier SOIC à corps large 20 broches
Applications
- Automatisation d'usine
- Commande de moteurs
- Infrastructure de réseau
- Équipements médicaux
- Test et mesure
Vidéos
Schéma simplifié
Fiche technique
Publié le: 2022-03-31
| Mis à jour le: 2023-05-17
