Texas Instruments Émetteur-récepteur FD CAN isolé ISO1044B
L’émetteur-récepteur CAN FD isolé ISO1044B de Texas Instruments est un émetteur-récepteur CAN (dispositif de commande de zone de réseau) à isolement galvanique répondant aux spécifications de la norme ISO11898-2 (2016). Le dispositif ISO1044B offre une protection contre les défaillances de bus CC ±58 V et une plage de tensions en mode commun ±12 V. Le dispositif admet un débit de données pouvant atteindre 5 Mbps en mode CAN FD, ce qui permet un transfert de charge utile bien plus rapide qu'un CAN classique. Ce dispositif utilise une barrière d’isolement en dioxyde de silicium (SiO2) à tension de tenue de 3 000 Vefficaces et à tension de fonctionnement de 450 Vefficaces. La compatibilité électromagnétique a été considérablement renforcée, pour permettre la conformité en matière de DES (décharges), d'EFT (régimes transitoires), de surtension et d'émissions au niveau du système. Lorsqu’il est utilisé à alimentations électriques isolées, le dispositif protège contre les hautes tensions et empêche les courants de bruit du bus de pénétrer dans la mise à la terre locale. Le Texas Instruments ISO1044B admet une large plage thermique ambiante de -40 à +125 °C. Le dispositif est disponible en petit boîtier SOIC-8 (D), ce qui réduit considérablement la taille de la solution par rapport à une approche classique utilisant des optocoupleurs pour isoler l’émetteur-récepteur CAN.Caractéristiques
- Satisfait la norme de couche physique ISO 11898-2:2016
- Prend en charge le CAN classique jusqu'à 1 Mb/s et le FD (débit de données flexible) jusqu'à 5 Mb/s
- Caractéristiques de protection
- Tension de protection contre les défaillances de bus ±58 V CC
- Tolérance DES CEI ±8 kV sur les broches de bus
- Tolérance DES HBM ±10 kV sur les broches de bus
- Temporisation dominante du pilote (TXD DTO)
- Protection contre les sous-tensions sur VCC1 et sur VCC2
- Plage de tensions en mode commun ±12 V
- Bornes de bus passives idéales à haute impédance en mode de désactivation
- CMTI élevé minimum 85 kV/µs
- Plage de tensions VCC1 de 1,71 à 5,5 V
- admet les interfaces logiques sous 1,8 V, 2,5 V, 3,3 V et 5,0 V vers le dispositif de commande CAN
- Plage de tensions VCC2 de 4,5 à 5,5 V
- Solide compatibilité électromagnétique (CEM)
- Immunité aux ESD, EFT et aux surtensions au niveau du système
- Faibles émissions
- Plage de température ambiante de -40 °C à +125 °C
- Boîtier 8-SOIC
- Certifications liées à la sécurité
- Toutes les certifications prévues
- Isolation renforcée VDE selon DIN VDE V 0884-11:2017-01
- Programme de reconnaissance des composants UL 1577
- Certifications CEI 60950-1, CEI 62368-1, CEI 61010-1 et GB 4943.1-2011
Applications
- Entraînements CA et servomoteurs
- Onduleurs solaires
- Modules de communication PLC et DCS
- Ascenseurs et escalators
- Sources d’alimentation industrielles
- Charge et gestion de batterie
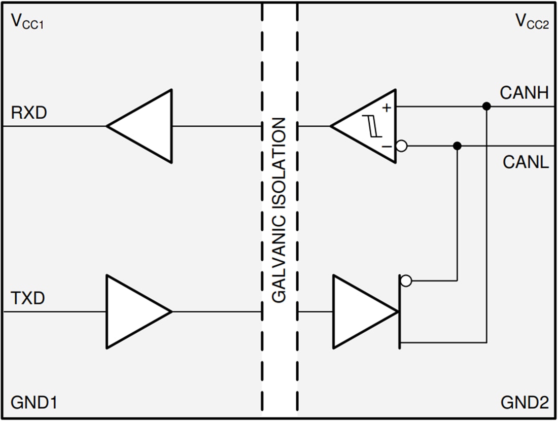
Schéma fonctionnel
Publié le: 2020-08-07
| Mis à jour le: 2024-07-29
