Texas Instruments Amplis d'instrumentation entièrement différentiels INA851
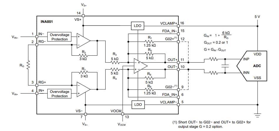
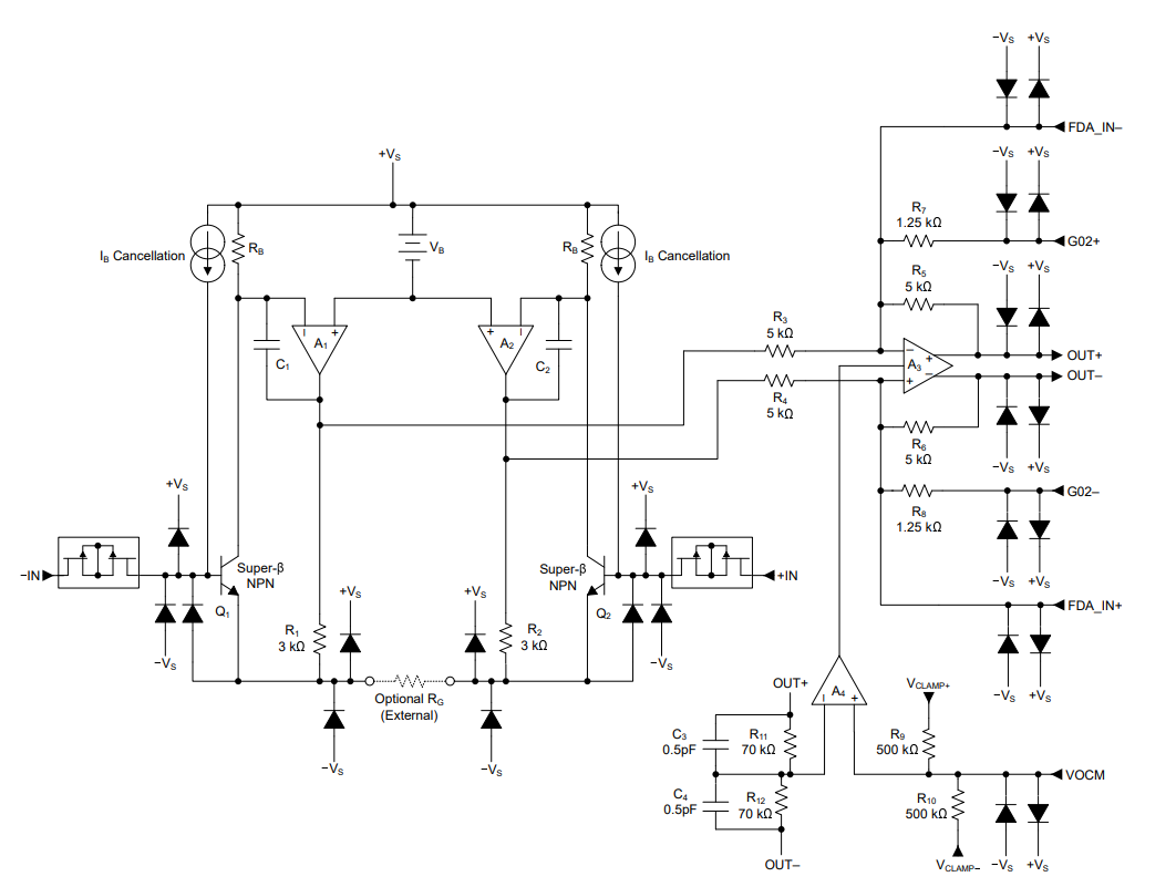
Les amplificateurs d'instrumentation entièrement différentiels INA851 de Texas Instruments sont des amplificateurs d'instrumentation de haute précision avec des sorties entièrement différentielles. L'INA851 est optimisé pour piloter des entrées de convertisseurs analogiques-numériques (CAN) à hautes performances modernes avec des entrées entièrement différentielles. Les amplificateurs fournissent une plage étendue d'alimentation simple ou double. Le gain de l'étage de sortie du composant peut être réglé sur 0,2 ou 1 en court-circuitant ou en flottant deux broches. Une seule résistance externe définit tout gain d'étage d'entrée de 1 à 10 000.Les amplificateurs d'instrumentation entièrement différentiels INA851 de TI fournissent un courant de polarisation d'entrée très faible et un faible bruit de courant référencé en entrée grâce aux transistors d'entrée super-bêta. Ces composants disposent d'un processus de fabrication de pointe fournissant un bruit de tension exceptionnellement faible, une tension de décalage d'entrée et une dérive de tension résiduelle. Un circuit supplémentaire protège les entrées INA851 contre les surtensions jusqu'à ±40 V au-delà des tensions d'alimentation. De plus, les sorties du composant disposent d'un circuit de verrouillage intégré pour protéger le CAN ou le dispositif en aval contre les dommages de suralimentation.
L'INA851 est idéal pour un fonctionnement à partir d'une alimentation simple de 8 V minimum ou double de ±4 V et d'une alimentation simple de 36 V maximum ou double de ±18 V.
Caractéristiques
- Gain programmable de G = 0,2 à 10 000 en utilisant une résistance externe
- Sorties entièrement différentielles avec verrouillage intégré
- Faible tension de décalage 10 µV (std), 35 µV (max)
- Faible dérive de décalage 0,1 µV/C (std), 0,3 µV/ºC (max)
- Faible courant de polarisation d'entrée de 5 nA (std)
- Bruit d'étage d'entrée de 3,2 nV/√Hz, 0,8 pA/√Hz
- 22 MHz à G = 0,2, 15 MHz à G = 1 large largeur de bande
- 106 dB (min) à G = 10, 120 dB (min) à 100 ≤ g 1000 rejet en mode commun
- rejet d'alimentation de 110 dB (min) à G = 1
- Courant d'alimentation de 6 mA (std)
- Protection contre les surtensions d'entrée jusqu'à ±40 V au-delà des alimentations
- Plage d'alimentation :
- Alimentation simple de 8 V à 36 V
- Alimentation double de ±4 V à ±18 V
- Plage de température spécifiée de -40 °C à +125 °C
- Minuscule boîtier VQFN à 16 broches
Applications
- Module d'entrée analogique
- Émetteur de flux
- Test LCD
- Électrocardiogramme (ECG)
- Équipement chirurgical
- Oscilloscope (DSO)
- Balance de pesage
- Test de semi-conducteur
Application pilote de CAN
Schéma détaillé
Schéma fonctionnel
