Texas Instruments Amplificateur d'instrumentation INA351
L'amplificateur d'instrumentation INA351 de Texas Instruments est un amplificateur d'instrumentation à gain sélectionnable avec un tampon de référence intégré. Il offre quatre options de gain sur les variantes INA351ABS et INA351CDS dans de petits boîtiers. L'INA351CDS dispose d'options de gain de 30 ou 50 et l'INA351ABS dispose d'options de gain de 10 ou 20. Ces options de gain peuvent être sélectionnées en basculant la broche de sélection de gain (GS). L'INA351 est excellent pour les applications de détection de type pont et de conversion de différentiel vers asymétrique.Construit avec des résistances intégrées adaptées à la précision, l'INA351 économise sur les coûts de nomenclature (BOM), l'espace sur la carte et les coûts de manutention des machines bras-transfert en éliminant le besoin de résistances externes précises ou étroitement adaptées. L'INA351 peut s'interfacer directement avec les convertisseurs analogique-numérique (CAN) 10 bits à 14 bits faible vitesse et est un excellent choix pour remplacer la mise en œuvre discrète des amplificateurs d'instrumentation construits avec des amplificateurs de base et des résistances discrètes.
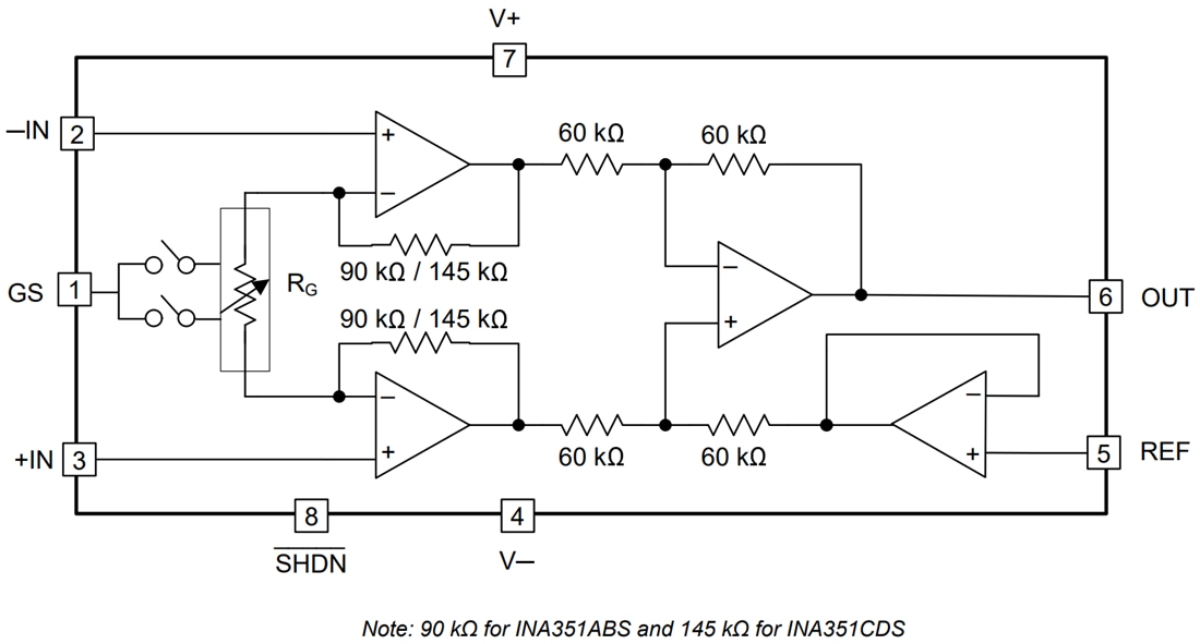
Conçu avec l'architecture à trois amplificateurs, l'INA351 est optimisé pour la performance. Le composant atteint 86 dB de CMRR minimum et 0,1 % d'erreur de gain maximale précise, ainsi que 1,3 mV de décalage maximal sur toutes les options de gain, tout en consommant seulement 135 µA de courant de repos maximal. L'INA351 de Texas Instruments dispose d'une option d'arrêt intégrée pour éteindre l'amplificateur lorsqu'il est inactif pour des économies d'énergie supplémentaires dans les applications alimentées par batterie/pile.
Caractéristiques
- Conçu pour les applications sensibles à la taille, au coût et à la puissance
- Options de gain sélectionnables avec tampon de référence intégré
- G = 10 ou G = 20 (INA351ABS)
- G = 30 ou G = 50 (INA351CDS)
- Options de boîtier ultra-compact à encombrement réduit
- 10-pin X2QFN (RUG) – 3 mm2
- 8-pin WSON (DSG) – 4 mm2
- 8-pin SOT23-THN (DDF) – 4,64 mm2
- Performances optimisées pour les systèmes de 10 à 14 bits
- CMRR : 95 dB (std) pour tous les gains
- Tension résiduelle : 0,2 mV (std) pour tous les gains
- Erreur de gain (std)
- 0,015 % pour G = 10, G = 50
- 0,020 % pour G = 20, G = 30
- 100 kHz pour G = 10 (std) (Largeur de bande)
- Pilote 500 pF avec un dépassement inférieur à 20 % (std)
- 110 µA (std) Courant de repos optimisé
- Option d'arrêt pour les applications sensibles à la consommation
- Plage d'alimentation de 1,8 V (±0,9 V) à 5,5 V (±2,75 V)
- Plage de température spécifiée de –40 °C à + 125 °C
Applications
- Détection de réseau de pont
- Conversion différentielle vers asymétrique
- Balance de pesage
- Module d'entrée analogique
- Émetteur de flux
- Moniteur d'activité et de fitness portatif
- Moniteur de glycémie
- Détection de la pression et de la température
Diagramme fonctionnel
